Качественные детали и логистика
Оригинальные и аналоговые запчасти с доставкой по России, Казахстану и Беларуси
©2022 PartSell ООО "Система" ИНН 2463123282 ОГРН 1212400004838
Центральный офис: г. Красноярск, Академика Киренского, д.87, пом.4
Телефон: 8 (800) 777-65-74 Email: zakaz@partsell.ru
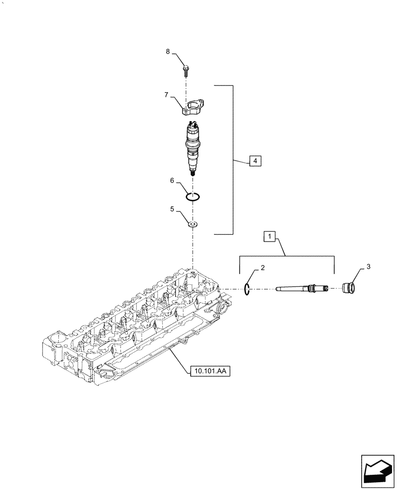
(10.218.AF[01]) - FUEL INJECTOR, PP38127
№
Артикул
Название
Примечание
Количество
1
2854606
FUEL TUBE,Connector Assembly
Connector Assy - Pipe, Incl 2
6шт.
2
4890929
O-RING,3mm Thk x 11mm ID
1шт.
3
4893739
TUBE NUT,Hex, M22 x 1.5
4
2854608
FUEL SYSTEM INJECTOR
Assy, Incl 5 - 7
5
4899689
SEALING WASHER,7mm ID x 15mm OD x 1.5mm Thk
6
4890926
O-RING,3mm Thk x 20.9mm ID, 60 Duro
7
2854609
BRACKET
Retaining
8
4895483
BOLT,Flng, M6 x 1 x 35mm
12шт.
Выбрано товаров: 0