Запчасти Case IH PUMA1804 (10.304.AS) - ENGINE OIL DIPSTICK (10) - ENGINE

Схема запчастей Case IH PUMA1804 - (10.304.AS) - ENGINE OIL DIPSTICK (10) - ENGINE
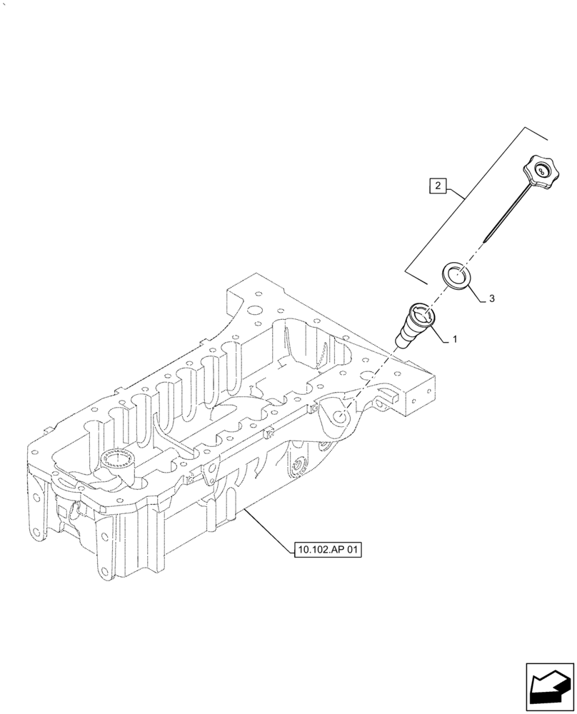
2
1
10.102.ap 01
3
FIT
1:1
100%

Артикул

Название

Примечание

Количество

1

4891168

TUBE

1шт.

2

2854831

DIPSTICK

Assy, Incl 3

1шт.

3

2853751

SEAL

Plug

1шт.

Выбрано товаров: 3