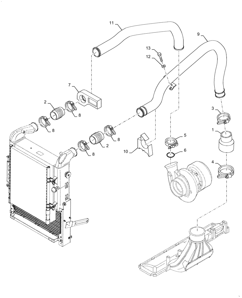
Запчасти Case IH PUMA1804 (10.310.AE[01]) - INTERCOOLER AND CONDENSER - PIPES (10) - ENGINE

Схема запчастей Case IH PUMA1804 - (10.310.AE[01]) - INTERCOOLER AND CONDENSER - PIPES (10) - ENGINE
9
6
7
8
11
13
8
2
4
12
2
8
5
10
8
3
1
FIT
1:1
100%

Артикул

Название

Примечание

Количество

1

82038251

HOSE,63.5mm ID x 98mm L, SAE J20 R4, Class C

Manifold Inlet

1шт.

2

87709369

SLEEVE,63.5mm ID x 177mm L

CAC Convoluted Silicone Hose

2шт.

3

82036353

HOSE CLAMP,60 - 80mm X 14.5mm

Spring Loaded - 60/80

1шт.

4

82036354

HOSE CLAMP,70mm - 90mm

Spring Loaded - 70/90

1шт.

5

87524288

CLAMP,77mm

Assembly, 6 Cylinder

1шт.

6

14460081

SEALING RING,-142, Cl 7, 2.362" ID x .103" Thk

1шт.

7

84273082

SEAL

CAC Tube Hot Side

1шт.

8

82036351

HOSE CLAMP,50 - 70mm X 14.5mm

Spring Loaded - 50/70

4шт.

9

84136403

PIPE

CAC to Inlet Manifold

1шт.

10

87315683

RUBBER SEAL

CAC Cold Side

1шт.

11

87542502

PIPE

Turbo to CAC

1шт.

12

12646701

WASHER,8.15mm ID x 20mm OD x 2mm Thk

1шт.

13

43128

BOLT,M8 x 1.25 x 30mm, Cl 8.8

1шт.

Выбрано товаров: 13