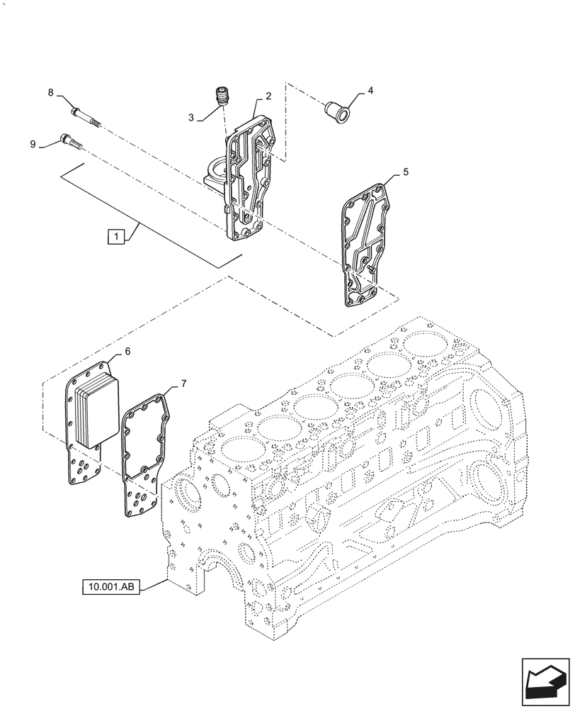
Запчасти Case IH PUMA1804 (10.408.AC[02]) - HEAT EXCHANGER, ENGINE (10) - ENGINE

Схема запчастей Case IH PUMA1804 - (10.408.AC[02]) - HEAT EXCHANGER, ENGINE (10) - ENGINE
9
3
10.001.ab
8
1
7
2
5
6
4
FIT
1:1
100%

Артикул

Название

Примечание

Количество

1

2830672

FILTER HEAD

Assy - Lubrication Oil, Incl 2 - 4

1шт.

2

2830673

FILTER HEAD

Assy - Lubrication Oil

1шт.

3

4893391

ADAPTER,M24 x 2 x M27 x 2

Filter Head

1шт.

4

4896410

VALVE PRESSURE RELIE

1шт.

5

2831317

GASKET,0.9mm Thk

Oil Cooler

1шт.

6

4896407

OIL COOLER

Core

1шт.

6

5801750731

Cooler

HEAT EXCHANGER

1шт.

7

2830559

GASKET,0.5mm Thk

Oil Cooler Core

1шт.

8

4895609

BOLT,Flng, M8 x 1.25 x 100mm

2шт.

9

4899019

SCREW,Hex Flg, M8 x 1.25 x 35

13шт.

Выбрано товаров: 10