Запчасти Case IH PUMA1854 (33.110.AV[01]) - TRANSMISSION BRAKES (33) - BRAKES & CONTROLS

Схема запчастей Case IH PUMA1854 - (33.110.AV[01]) - TRANSMISSION BRAKES (33) - BRAKES & CONTROLS
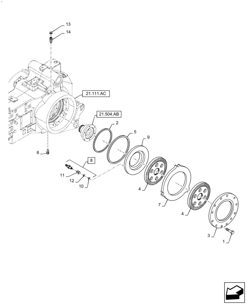
12
13
14
4
4
7
21.111.ac
8
11
2
1
6
10
9
21.504.ab
3
5
FIT
1:1
100%

Артикул

Название

Примечание

Количество

1

14274924

BOLT,Hex, M12 x 1.25 x 50mm, Cl 8.8

24шт.

2

5195253

SEAL,Square, 3.4mm Thk x 294.1mm ID, 80 Duro

2шт.

3

5185968

BRAKE DISC,245mm ID x 400mm OD x 29mm Thk

2шт.

4

84201664

BRAKE DISC,60mm ID x 327mm OD x 9.5mm Thk

4шт.

5

5165512

SEAL,Square, 3.4mm Thk x 329.8mm ID, 80 Duro

2шт.

6

5152383

DRAIN PLUG,M12 x 1.25 x 24mm

2шт.

7

87731858

BRAKE DISC

2шт.

8

84172140

PIN

6шт.

9

5195093

PISTON

For RH Brake

2шт.

10

14048221

NUT,M8 x 1.25, Cl 10

6шт.

11

84172142

BUSHING,13.3mm ID x 20mm OD x 21.9mm L

6шт.

12

84177978

WASHER,8.2mm ID x 20mm OD x 2mm Thk

6шт.

13

5171793

BOOT

2шт.

14

5155682

BLEED SCREW,Bleeder, M12 x 1.25 x 33mm

2шт.

Выбрано товаров: 14