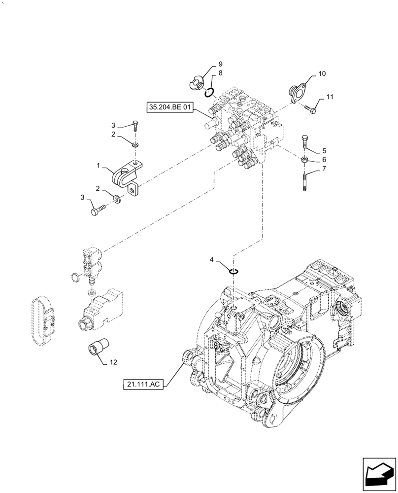
Запчасти Case IH PUMA1854 (35.204.BE[08]) - REAR REMOTE CONTROL VALVES WITH 3 ELEMENTS (35) - HYDRAULIC SYSTEMS

Схема запчастей Case IH PUMA1854 - (35.204.BE[08]) - REAR REMOTE CONTROL VALVES WITH 3 ELEMENTS (35) - HYDRAULIC SYSTEMS
3
9
10
8
35.204.be 01
1
12
7
21.111.ac
11
2
6
5
3
4
2
FIT
1:1
100%

Артикул

Название

Примечание

Количество

1

5189351

BRACKET

1шт.

2

14496701

WASHER,13.00mm ID x 24.00mm OD x 2.50mm, CST, ZND

2шт.

3

15540324

SCREW,Hex, M12 x 1.25 x 25mm, Cl 8.8, Full Thd

2шт.

4

14463780

O-RING,0.139" Thk x 1.296" ID, -219, Cl 5, 75 Duro

1шт.

5

15970921

SCREW,Hex, M10 x 1.25 x 35mm, Cl 8.8, Full Thd

2шт.

6

12164711

NUT,M10 x 1.25, Cl 8

2шт.

7

13449721

STUD,M10 x 1.25 x 30mm L, Cl 8.8

2шт.

8

14463780

O-RING,0.139" Thk x 1.296" ID, -219, Cl 5, 75 Duro

1шт.

9

82005372

FILLER CAP,Male, Vented_No Lockable

1шт.

10

5189606

SUPPORT

3шт.

11

14305224

HEX SOC SCREW,M6 x 16mm, Cl 8.8, Full Thd

6шт.

12

82035752

PLASTIC PLUG,7.00mm, 11.00mm OD, 5.5mm D

4шт.

Выбрано товаров: 12