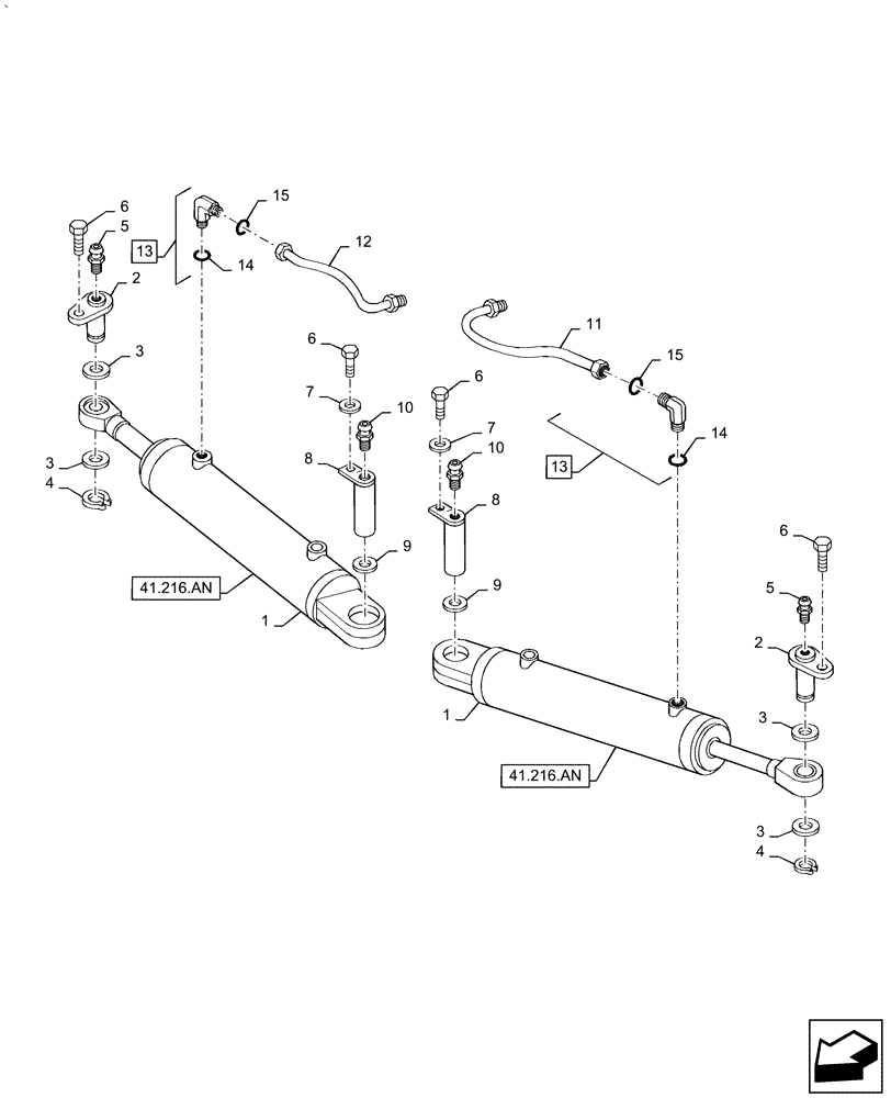
Запчасти Case IH PUMA1854 (41.216.AV[01]) - FRONT AXLE, HYDRAULIC STEERING CYLINDER (41) - STEERING

Схема запчастей Case IH PUMA1854 - (41.216.AV[01]) - FRONT AXLE, HYDRAULIC STEERING CYLINDER (41) - STEERING
5
5
13
4
6
11
7
9
1
6
41.216.an
10
3
41.216.an
6
15
1
8
15
7
2
3
14
4
14
2
6
13
10
8
9
3
12
3
FIT
1:1
100%

Артикул

Название

Примечание

Количество

1

5198883

STEERING CYLINDER,Double Acting, 25mm Rod, 232.5mm Stroke

2шт.

2

5171707

PIN,24.97mm OD x 91mm L

2шт.

3

5111573

SPACER,25.5mm ID x 34mm OD x 5.9mm L

4шт.

4

11067376

SNAP RING,M25, Ext

2шт.

5

13406911

LUBE NIPPLE,Straight, 1/4"-28 x 0.54"

2шт.

6

16043421

BOLT,Hex, M8 x 1.25 x 20mm, Cl 8.8, Full Thd

3шт.

6

16043824

SCREW,Hex, M8 x 1.25 x 30mm, Cl 8.8, Full Thd, DAC

1шт.

7

11193874

BELLEVILLE WASHER,M8 Bolt Size x 16mm OD x 1.4mm Thk

2шт.

8

5198013

PIN,24.97mm OD x 100mm L

2шт.

9

5111576

SPACER,25.5mm ID x 34mm OD x 11mm L

2шт.

10

5120532

LUBE NIPPLE,Straight, M14 x 1.5 x 6.50mm

2шт.

11

84233089

HYD TUBE,10.00mm OD x 276.00mm, 75.00mm L

LH

1шт.

12

84233156

HYD TUBE,10.00mm OD x 276.00mm, 75.00mm L

RH

1шт.

13

47127165

90 ELBOW

2шт.

14

5185510

O-RING,1.78mm Thk x 9.25mm ID, 85 Duro

2шт.

15

14437785

O-RING,11.3mm ID x 2.4mm

2шт.

Выбрано товаров: 16