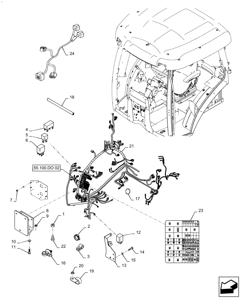
Запчасти Case IH PUMA1854 (55.510.AF[01]) - CAB CABLE AND RELATIVE PARTS (55) - ELECTRICAL SYSTEMS

Схема запчастей Case IH PUMA1854 - (55.510.AF[01]) - CAB CABLE AND RELATIVE PARTS (55) - ELECTRICAL SYSTEMS
10
9
14
17
7
8
24
21
19
55.100.do 02
3
16
2
1
20
12
18
23
5
11
22
4
15
13
6
FIT
1:1
100%

Артикул

Название

Примечание

Количество

1

83958007

NUT,M8, G8

1шт.

2

14560287

CABLE TIE,207.00mm L

Collar

3шт.

2

82001040

CABLE TIE,.19" x 11.5"

2шт.

3

10450990

CLAMP,26mm, Coat, 9mm Bolt Hole, P Type

1шт.

4

87304226

RELAY,12V, Combined, Black

Wiper Time

1шт.

5

82013124

RELAY,12V, 30A

3шт.

5

82030798

RELAY,12V, 70A

3шт.

6

84543528

RELAY,12V, 20A, Micro

8шт.

7

15896221

NUT,Hex, M6, 5.20mm High, Cl 10

8шт.

8

47415938

BRACKET

Module Mounting

1шт.

9

16100811

NUT,Hex, M8, 6.80mm, Cl 8, ZND

2шт.

10

14496501

WASHER,8.4mm ID x 17mm OD x 1.6mm Thk

2шт.

11

16043221

BOLT,Hex, M8 x 16mm, Cl 8.8, Full Thd

2шт.

12

82017871

RELAY,12V, 20A

1шт.

13

87597230

SUPPORT

1шт.

14

10902221

BOLT,Hex, M6 x 16mm, CL 8.8

2шт.

15

14496404

WASHER,M6 x 12 x 2 Thk

2шт.

16

82033028

CABLE TIE,170mm L

1шт.

17

84602472

PLUG,45.2mm ID

1шт.

18

87617359

PROTECTOR

Edge

1шт.

18

84545777

PROTECTION STRIP

1шт.

19

5171792

CLAMP

1шт.

20

82879382

WASHER

1шт.

21

47752062

WIRE HARNESS

1шт.

22

81864749

SCREW,Phillips Drive, Pan HD, M5 x 12mm, Cl 4.8

2шт.

23

84200081

DECAL

1шт.

24

84195894

WIRE HARNESS

1шт.

Выбрано товаров: 27