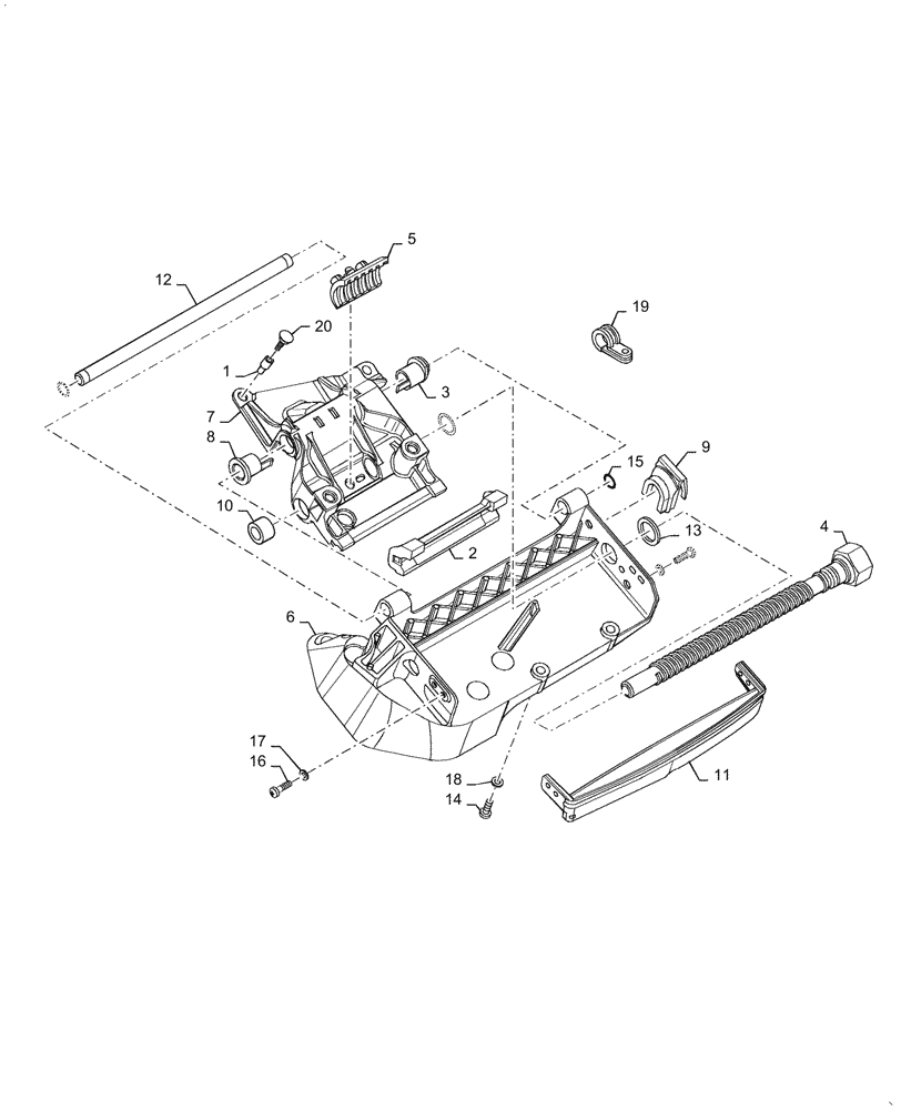
Запчасти Case IH PUMA1854 (55.640.AG[02]) - ARMREST CONTROL UNIT - SLIDE MECHANISM (55) - ELECTRICAL SYSTEMS

Схема запчастей Case IH PUMA1854 - (55.640.AG[02]) - ARMREST CONTROL UNIT - SLIDE MECHANISM (55) - ELECTRICAL SYSTEMS
11
7
19
4
9
14
13
10
12
1
6
20
17
15
2
18
8
3
16
5
FIT
1:1
100%

Артикул

Название

Примечание

Количество

1

15624411

RIVET,Flat, M6 OD x 16mm L

Flat

4шт.

2

84236392

SLIDE GUIDE

Pillow Block Garu Adjuster

1шт.

3

84146826

BUSHING,14.3mm ID x 20.36mm OD x 40.3mm L

Front

1шт.

4

84163864

ADJUSTMENT SCREW,309 mm L

1шт.

5

84146843

HALF-BUSHING,48mm L

1шт.

6

47360983

SLIDE

Fixed Garu Adjuster

1шт.

7

47360984

SLIDE

Mobile Garu Adjuster

1шт.

8

84146834

BUSHING,14.3mm ID x 20.36mm OD x 43.3mm L

Rear

1шт.

9

84146837

SPACER,18mm ID x 29mm OD

Front

1шт.

10

84206874

SPACER,18.2mm ID x 30mm OD x 19.5mm L

Rear

1шт.

11

84236407

SUPPORT

Pillow - Garu Adjuster

1шт.

12

84146847

SHAFT,14mm OD x 280mm L

Guide

1шт.

13

84146848

FRICTION WASHER,24.4mm ID x 32mm OD x 1.7mm Thk

Plate

2шт.

14

14306621

HEX SOC SCREW,M8 x 35mm, Cl 8.8, Full Thd

4шт.

15

11066271

RING,Ext, 14mm Dia

2шт.

16

86531615

HEX SOC SCREW,M6 x 20mm, Cl 8.8

6шт.

17

10519407

WASHER,6.4mm ID x 11.95mm OD x 1.6mm Thk

6шт.

18

14496501

WASHER,8.4mm ID x 17mm OD x 1.6mm Thk

4шт.

19

84232921

CABLE CLIP,25mm ID

1шт.

20

47510297

HEX SOC SCREW,M6 x 1 x 25mm, Cl 8.8

4шт.

Выбрано товаров: 20