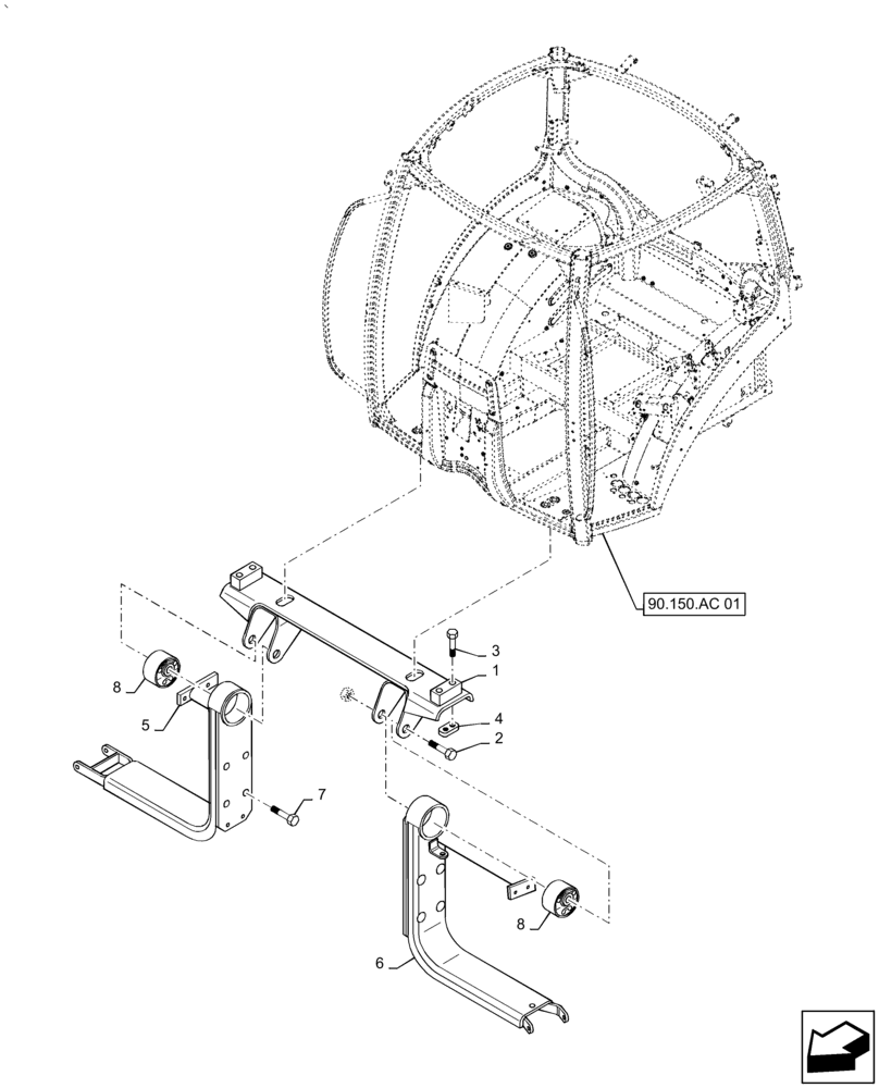
Запчасти Case IH PUMA1854 (90.150.BB[02]) - MECHANICAL SUSPENSION, CAB SUPPORT (90) - PLATFORM, CAB, BODYWORK AND DECALS

Схема запчастей Case IH PUMA1854 - (90.150.BB[02]) - MECHANICAL SUSPENSION, CAB SUPPORT (90) - PLATFORM, CAB, BODYWORK AND DECALS
7
8
3
2
1
90.150.ac 01
5
8
4
6
FIT
1:1
100%

Артикул

Название

Примечание

Количество

1

87553298

SUPPORT

1шт.

2

11126521

BOLT,Hex, M20 x 140, 8.8

2шт.

3

87335549

BOLT,Hex, M20 x 150mm, Cl 8.8

4шт.

4

87597203

SPECIAL NUT

2шт.

5

87527278

SUPPORT

RH

1шт.

6

87527276

SUPPORT

LH

1шт.

7

11408324

BOLT,Hex, M14 x 1.5 x 35, 8.8, Full Thd

8шт.

8

87396965

INSULATOR,100mm OD x 85.3mm L

2шт.

Выбрано товаров: 8