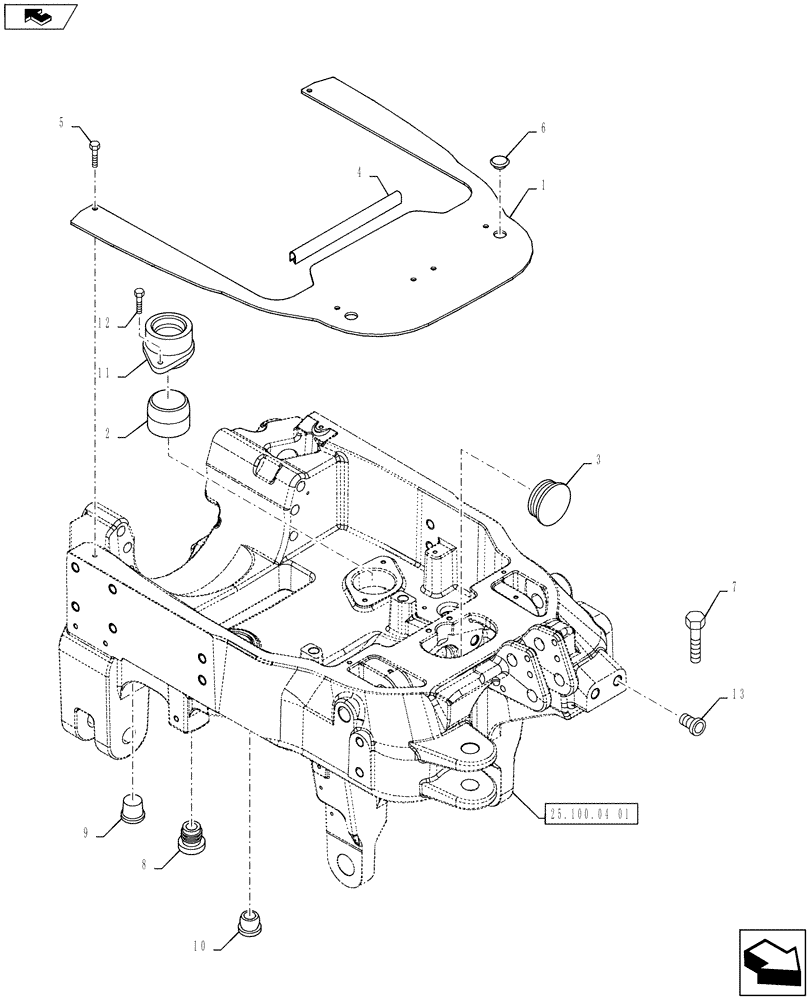
Запчасти Case IH PUMA 130 (25.100.04[02]) - VAR - 743699, 337831, 743700, 334648, 335648 - AXLE SUPPORT - INTEGRATED FRONT HPL - SUSPENDED 4WD FRONT AXLE (25) - FRONT AXLE SYSTEM

Схема запчастей Case IH PUMA 130 - (25.100.04[02]) - VAR - 743699, 337831, 743700, 334648, 335648 - AXLE SUPPORT - INTEGRATED FRONT HPL - SUSPENDED 4WD FRONT AXLE (25) - FRONT AXLE SYSTEM
13
3
4
12
11
7
5
1
6
2
10
8
25.100.04 01
home
9
FIT
1:1
100%

Артикул

Название

Примечание

Количество

1

87731103

COVER

Without Front PTO, VAR. 337831 Only

1шт.

1

84267280

COVER

With Front PTO, VAR. 334648 - 335648 Only

1шт.

2

82025531

SPACER

1шт.

3

82027992

PLUG,80.00mm, 90.00mm OD, 32.00mm D

Without Front PTO, VAR. 337831 Only

1шт.

4

83964601

MOLDING,164mm L

2шт.

5

16043224

BOLT,Hex, M8 x 16mm, Cl 8.8

4шт.

6

47057762

SLEEVE,25mm ID x 36mm OD x 10mm L

2шт.

7

82015433

HEX SOC SCREW,FLAT, M10 x 1.5 x 25mm, Cl 10.9

4шт.

8

83908579

PLUG,M7.62

2шт.

9

85700666

PLASTIC PLUG,17.14mm, 22.22mm OD, 12.70mm D

16шт.

10

87523187

PLUG,M12 x 1.5

2шт.

11

82030470

SUPPORT

1шт.

12

120104

BOLT,Hex, M8 x 1.25 x 20mm, Cl 8.8

2шт.

13

82037171

PLASTIC PLUG,22.00mm, 32.00mm OD

4шт.

Выбрано товаров: 14