Запчасти Case IH PUMA 130 (31.114.03) - VAR - 330800 - PTO 540/1000 RPM - SHIFTER FORK & OIL FILLER TUBE (31) - IMPLEMENT POWER TAKE OFF

Схема запчастей Case IH PUMA 130 - (31.114.03) - VAR - 330800 - PTO 540/1000 RPM - SHIFTER FORK & OIL FILLER TUBE (31) - IMPLEMENT POWER TAKE OFF
6
16
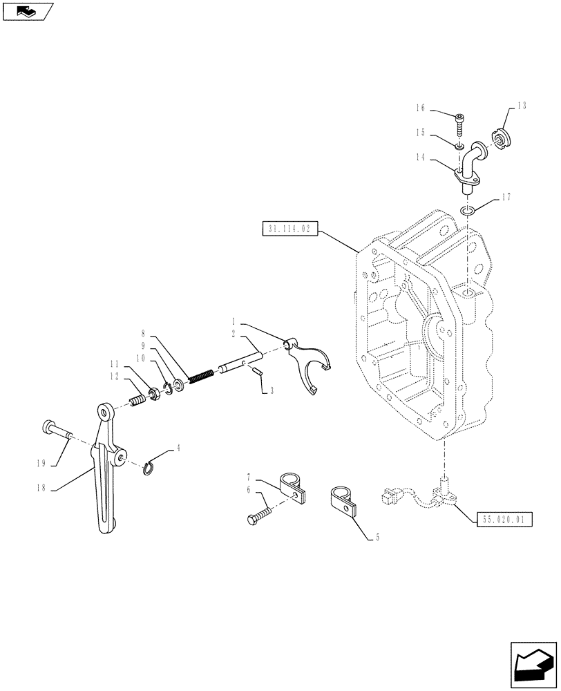
1
2
home
55.020.01
31.114.02
18
3
8
7
13
12
17
19
4
5
9
14
15
10
11
FIT
1:1
100%

Артикул

Название

Примечание

Количество

1

5197556

SHIFTER FORK,102mm Int, 2 Speed

1шт.

2

5192165

ROD,16mm OD x 159mm L

1шт.

3

13910370

ROLL PIN,6mm OD x 30mm L

1шт.

4

11065976

CIRCLIP,M10, Ext

1шт.

5

85700737

CLAMP,6.86mm ID, 14.99mm Bolt Hole, J Type

1шт.

6

16042931

BOLT,Hex, M8 x 1.25 x 10mm, Cl 10.9, Full Thd

1шт.

7

10449890

CLAMP,6mm, Coat, 9mm Bolt Hole, P Type

1шт.

8

5193076

SPRING,Compression, 21.5mm OD x 91mm L

1шт.

9

13507701

WASHER,16.4mm ID x 27mm OD x 2mm Thk

4шт.

10

300625

SNAP RING,M16, Ext

1шт.

11

16103614

THIN NUT,Thin, M12, 1.25 Pitch, Cl 04

1шт.

12

5193077

SPECIAL PIN,M12

1шт.

13

82005372

FILLER CAP,Male, Vented_No Lockable

1шт.

14

5198124

TUBE

1шт.

15

11193874

BELLEVILLE WASHER,M8 Bolt Size x 16mm OD x 1.4mm Thk

1шт.

16

14306321

HEX SOC SCREW,M8 x 20mm, Cl 8.8

1шт.

17

14458281

O-RING,1.237" ID x 1.443" OD x 0.103"

1шт.

18

5197557

LEVER

Speed Control

1шт.

19

5198749

PIN,9.6mm OD x 52.5mm L

1шт.

Выбрано товаров: 19