Запчасти Case IH PUMA 130 (33.220.01[01A]) - VAR - 330718 - HYDRAULIC TRAILER BRAKE (UNIVERSAL) - BRAKE VALVE & LINES - D7113 (33) - BRAKES & CONTROLS

Схема запчастей Case IH PUMA 130 - (33.220.01[01A]) - VAR - 330718 - HYDRAULIC TRAILER BRAKE (UNIVERSAL) - BRAKE VALVE & LINES - D7113 (33) - BRAKES & CONTROLS
home
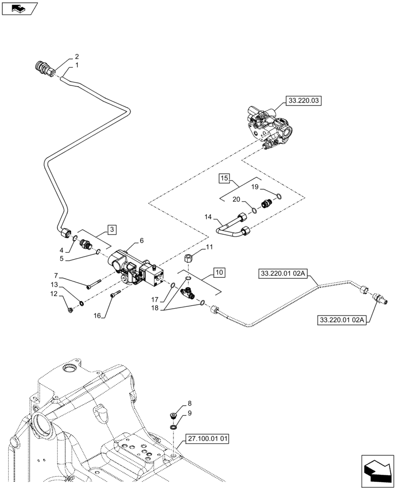
18
10
16
14
9
5
1
27.100.01 01
2
4
3
17
13
19
7
12
33.220.01 02a
8
15
20
33.220.01 02a
33.220.03
11
6
FIT
1:1
100%

Артикул

Название

Примечание

Количество

1

84344234

PRESSURE PIPE

1шт.

2

5144514

HYDRAULIC VALVE

1шт.

3

86579676

HYD CONNECTOR,13/16" - 16 ORFS x M18 x 1.5 ORB

Incl 4, 5

1шт.

4

9992298

O-RING,0.07" Thk x 0.489" ID, -14, Cl 6, 90 Duro

1шт.

5

86598101

O-RING,2.2mm Thk x 15.3mm ID, Cl 6, 90 Duro

1шт.

6

84349107

BRAKE VALVE

1шт.

7

14308921

HEX SOC SCREW,M8 x 60mm, Cl 8.8

1шт.

8

10273111

PLUG,M18 x 1.5 x 13

1шт.

9

10259960

SEAL,Rectangular, 18.30mm ID x 24.00mm OD x 1.50mm, Copper

1шт.

10

87521154

HYD CONNECTOR,M12 x 1, ORB 11/16"-16 ORFS

Incl 17, 18

1шт.

11

9625546

CAP,11/16" - 16 ORFS

1шт.

12

10300511

PLUG,M12 x 1.5 x 12, Cl5.8

1шт.

13

5183780

SEALING WASHER,9.73mm ID x 18mm OD x 1.5mm Thk

1шт.

14

84372459

HYD TUBE

1шт.

15

86579680

HYD CONNECTOR,1"-14 ORFS x M22 x 1.5mm ORB

Incl 19, 20

1шт.

16

14306621

HEX SOC SCREW,M8 x 35mm, Cl 8.8, Full Thd

1шт.

17

14437685

O-RING,9.30mm ID x 2.40mm

1шт.

18

5185510

O-RING,1.78mm Thk x 9.25mm ID, 85 Duro

2шт.

19

86598102

O-RING,2.2mm Thk x 19.3mm ID, Cl 6, 90 Duro

1шт.

20

9992069

O-RING,0.07" Thk x 0.614" ID, -16, Cl 6, 90 Duro

1шт.

Выбрано товаров: 20