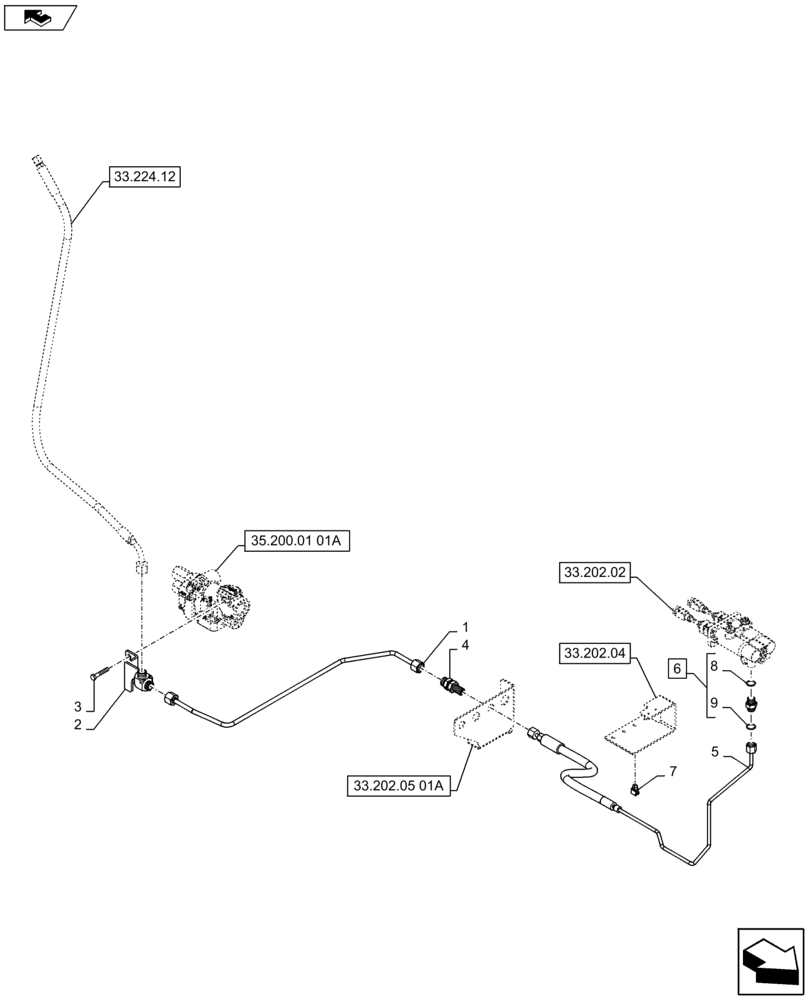
Запчасти Case IH PUMA 130 (33.224.13[01A]) - VAR - 330720 - TRAILER BRAKE LINES - BRAKE LOGIC VALVE - D7113 (33) - BRAKES & CONTROLS

Схема запчастей Case IH PUMA 130 - (33.224.13[01A]) - VAR - 330720 - TRAILER BRAKE LINES - BRAKE LOGIC VALVE - D7113 (33) - BRAKES & CONTROLS
7
1
33.224.12
33.202.05 01a
8
5
home
33.202.04
6
9
4
35.200.01 01a
3
33.202.02
2
FIT
1:1
100%

Артикул

Название

Примечание

Количество

1

84344791

PRESSURE PIPE

1шт.

2

84354504

SUPPORT

1шт.

3

14306821

HEX SOC SCREW,M8 x 45mm, Cl 8.8

2шт.

4

87711901

HYD CONNECTOR

1шт.

5

84354948

HYD TUBE

Incl 8, 9

1шт.

6

87705105

HYD CONNECTOR

1шт.

7

87710266

CLIP,6mm

1шт.

8

82019811

SEAL,11.6mm ID x 16.5mm OD x 1.5mm Thk

1шт.

9

81844850

O-RING,0.07" Thk x 0.301" ID, -11, Cl 6, 90 Duro

1шт.

Выбрано товаров: 9