Запчасти Case IH PUMA 130 (35.160.09) - VAR - 332814 - FRONT HPL - HYDRAULIC AUXILIARY COUPLERS (35) - HYDRAULIC SYSTEMS

Схема запчастей Case IH PUMA 130 - (35.160.09) - VAR - 332814 - FRONT HPL - HYDRAULIC AUXILIARY COUPLERS (35) - HYDRAULIC SYSTEMS
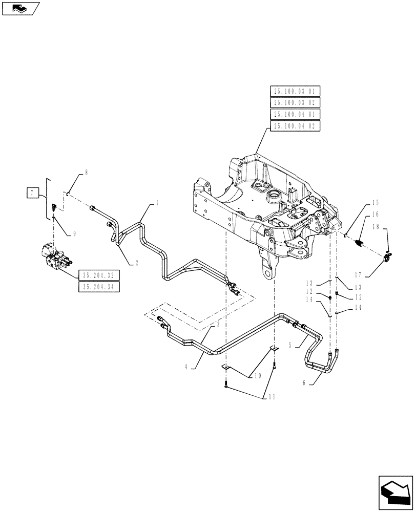
3
12
13
7
14
18
15
4
13
16
17
1
5
home
25.100.03 01
25.100.03 02
25.100.04 01
25.100.04 02
35.204.32
35.204.34
12
9
10
8
2
6
14
11
FIT
1:1
100%

Артикул

Название

Примечание

Количество

1

84204208

HYD TUBE

Auxillary Coupler

1шт.

2

84338737

HYD TUBE,1926.70mm

Auxillary Coupler

1шт.

3

84288012

HYD TUBE,1336.50mm

1 Aux A Couplers, LH

1шт.

4

84214786

HYD TUBE,16.00mm OD x 1387.00mm

1 Aux B Couplers, LH

1шт.

5

84214787

HYD TUBE,16.00mm OD x 695.00mm

2 Aux A Couplers, LH

1шт.

6

84214788

HYD TUBE,16.00mm OD x 750.00mm

2 Aux B Couplers, LH

1шт.

7

82031421

90 ELBOW,13/16"-16 ORFS x M18 x 1.5 ORB

Incl 8, 9

1шт.

8

14437985

O-RING,15.3mm ID x 2.4mm

1шт.

9

5185511

O-RING,1.78mm Thk x 12.42mm ID, 85 Duro

1шт.

10

47057074

CLAMP,48.6mm x 30mm

2шт.

11

43128

BOLT,M8 x 1.25 x 30mm, Cl 8.8

2шт.

12

82019638

HYD CONNECTOR,1" - 14 ORFS x M22 x 1.5 ORB

Incl 13, 14

2шт.

13

83901443

O-RING,0.07" Thk x 0.614" ID, -16, Cl 6, 90 Duro

2шт.

14

14438085

O-RING,19.3mm ID x 2.4mm

2шт.

15

11270860

SEAL,22.2mm ID x 26.9mm OD x 1.5mm Thk

2шт.

16

87301571

QUICK MALE COUPLING,M22 x 1.5

Incl 17

2шт.

17

47056253

CAP,59.5mm L x 46mm D x 19.4mm Thk, Black

2шт.

18

87731144

DISC,20mm D

Black, Plus

1шт.

18

87731145

DISC,20mm D

Black, Minus

1шт.

Выбрано товаров: 19