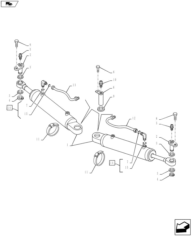
Запчасти Case IH PUMA 130 (41.216.03) - VAR - 330408, 390408 - CL.4 STANDARD FRONT AXLE - STEERING CYLINDER (41) - STEERING

Схема запчастей Case IH PUMA 130 - (41.216.03) - VAR - 330408, 390408 - CL.4 STANDARD FRONT AXLE - STEERING CYLINDER (41) - STEERING
14
12
9
6
3
2
6
2
3
1
7
15
7
11
14
6
11
3
5
15
home
5
3
4
10
8
13
4
FIT
1:1
100%

Артикул

Название

Примечание

Количество

1

87546274

SERVO STEERING CYL

2шт.

2

5171707

PIN,24.97mm OD x 91mm L

2шт.

3

5111573

SPACER,25.5mm ID x 34mm OD x 5.9mm L

4шт.

4

11067376

SNAP RING,M25, Ext

2шт.

5

13406911

LUBE NIPPLE,Straight, 1/4"-28 x 0.54"

2шт.

6

16043421

BOLT,Hex, M8 x 1.25 x 20mm, Cl 8.8, Full Thd

4шт.

7

14437785

O-RING,11.3mm ID x 2.4mm

2шт.

8

5198013

PIN,24.97mm OD x 100mm L

2шт.

9

5111576

SPACER,25.5mm ID x 34mm OD x 11mm L

2шт.

10

5120532

LUBE NIPPLE,Straight, M14 x 1.5 x 6.50mm

2шт.

11

13000990

COLLAR,60mm - 80mm, Worm Gear

2шт.

12

84233089

HYD TUBE,10.00mm OD x 276.00mm, 75.00mm L

LH

1шт.

13

84233156

HYD TUBE,10.00mm OD x 276.00mm, 75.00mm L

RH

1шт.

14

47127165

90 ELBOW

Incl 7, 15

2шт.

15

5185510

O-RING,1.78mm Thk x 9.25mm ID, 85 Duro

2шт.

Выбрано товаров: 15