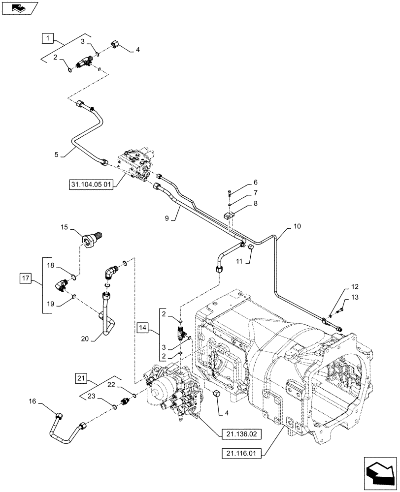
Запчасти Case IH PUMA 145 (21.136.01[01]) - HYDRAULIC LINES - TRANSMISSION CONTROL - C7113 (21) - TRANSMISSION

Схема запчастей Case IH PUMA 145 - (21.136.01[01]) - HYDRAULIC LINES - TRANSMISSION CONTROL - C7113 (21) - TRANSMISSION
21.116.01
3
13
1
3
5
18
21
20
14
17
2
2
4
10
12
31.104.05 01
21.136.02
8
19
16
23
6
22
7
4
1
2
1
home
15
9
FIT
1:1
100%

Артикул

Название

Примечание

Количество

1

87571078

HYD CONNECTOR,1"-14 x 1"-14 x M18 x 1.5

Incl 2, 3

1шт.

2

5185512

O-RING,0.07" Thk x 0.614" ID, -16, Cl 6, 90 Duro

4шт.

3

14437985

O-RING,15.3mm ID x 2.4mm

2шт.

4

83987627

CAP,1-14UN-2A

2шт.

5

84141692

PRESSURE PIPE

1шт.

6

43117

SCREW,Hex, M6 x 1.0 x 30mm, Cl 8.8

1шт.

7

14496421

WASHER,6.4mm ID x 12.5mm OD x 1.6mm Thk

1шт.

8

87735418

CLAMP BRACKET

1шт.

9

84140134

PRESSURE PIPE

1шт.

10

84140130

PRESSURE PIPE

1шт.

11

9840575

CAP,13/16" - 16 ORFS

1шт.

12

14496521

WASHER,8.4mm ID x 17mm OD x 1.6mm Thk

1шт.

13

16043321

BOLT,Hex, M8 x 1.25 x 18mm, Cl 8.8, Full Thd

1шт.

14

5197177

TEE,1"-14 ORFS x 1"-14 ORFS x M18 x 1.5 ORB

Incl 2, 3

2шт.

15

84253191

VALVE PRESSURE RELIE

1шт.

16

84220826

TUBE

1шт.

17

5197118

ELBOW,90 Deg, 1"3/16-12 ORFS x M27 x 2 ORB

Incl 18, 19

2шт.

18

14438185

O-RING,24mm ID x 3mm

2шт.

19

5185513

O-RING,1.78mm Thk x 18.77mm ID, 85 Duro

2шт.

20

84211470

TUBE

Pressure, Lube

1шт.

21

86579679

HYD CONNECTOR,1"-14 ORFS x M18 x 1.5 ORB

Incl 22, 23

1шт.

22

9992069

O-RING,0.07" Thk x 0.614" ID, -16, Cl 6, 90 Duro

1шт.

23

86598101

O-RING,2.2mm Thk x 15.3mm ID, Cl 6, 90 Duro

1шт.

Выбрано товаров: 23