Запчасти Case IH PUMA 145 (21.504.01) - TRANSMISSION SHIFTING UNIT (21) - TRANSMISSION

Схема запчастей Case IH PUMA 145 - (21.504.01) - TRANSMISSION SHIFTING UNIT (21) - TRANSMISSION
4
7
11
5
10
2
9
3
13
6
14
8
home
21.504.05
12
1
FIT
1:1
100%

Артикул

Название

Примечание

Количество

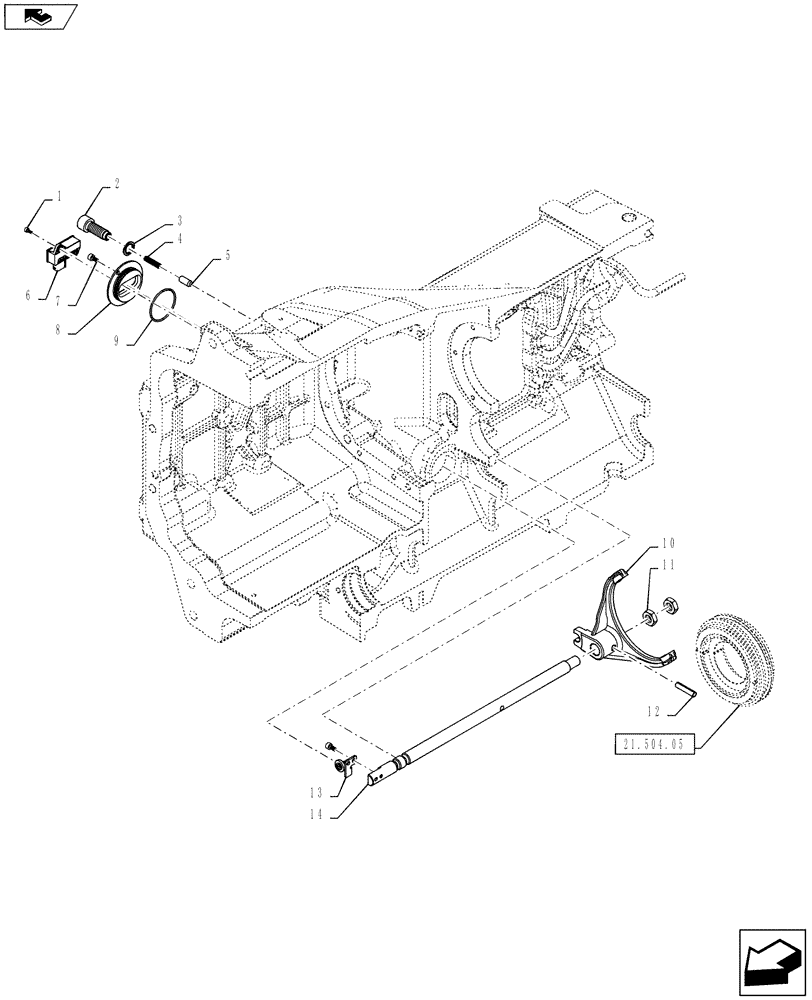
1

14302924

HEX SOC SCREW,M4 x 10mm, Cl 8.8, Full Thd

2шт.

2

87612768

SCREW,M16 x 45mm

1шт.

3

5167639

SEALING WASHER,13.4mm ID x 24mm OD x 1.5mm Thk

1шт.

4

5166393

SPRING,8mm OD x 43mm L

1шт.

5

5166394

PAWL,10mm OD x 25mm L

1шт.

6

87620263

SENSOR

Magnetic

1шт.

7

14305121

HEX SOC SCREW,M6 x 12mm, Cl 8.8

4шт.

8

84181809

HOLDER

1шт.

9

14459680

O-RING,0.103" Thk x 2.112" ID, -138, Cl 5, 75 Duro

1шт.

10

87362963

SHIFTER FORK,144.4mm Int

1шт.

11

10791411

THIN NUT,Thin, M16, 1.50mm Pitch, 8.00mm High, Cl 04, ZND

2шт.

12

13913670

ROLL PIN,M8 x 40, Coiled

1шт.

13

84406697

HOLDER

1шт.

14

84395592

ROD

1шт.

Выбрано товаров: 14