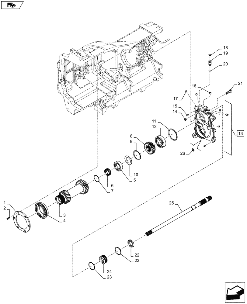
Запчасти Case IH PUMA 145 (21.504.03) - TRANSMISSION - I RANGE/REVERSE AND II RANGE GEARS ON PRIMARY SHAFT (21) - TRANSMISSION

Схема запчастей Case IH PUMA 145 - (21.504.03) - TRANSMISSION - I RANGE/REVERSE AND II RANGE GEARS ON PRIMARY SHAFT (21) - TRANSMISSION
home
14
19
13
15
8
26
6
18
4
5
25
10
21
16
7
22
24
1
20
11
23
23
3
17
2
9
12
FIT
1:1
100%

Артикул

Название

Примечание

Количество

1

87471779

RING,131.5mm ID x 187mm OD x 8mm Thk

1шт.

2

13028524

SCREW,M8 x 20mm

6шт.

3

84234034

SHAFT,24T, 27T, 36T, 298mm L

I Range and Reverse

1шт.

4

87588889

BALL BEARING,75.00mm x 130.00mm x 25.00mm

1шт.

5

87588891

ROLLER BEARING,49.5mm ID x 80mm OD x 23mm W

1шт.

6

87588903

NEEDLE BEARING,50mm ID x 58mm OD x 20mm W

1шт.

7

84167498

SNAP RING,1.5mm Thk, Int

1шт.

8

87362979

GEAR,23T, 24T

II Range

1шт.

9

11061976

SNAP RING,M80, Int

1шт.

10

84406681

BAFFLE

1шт.

11

11062976

SNAP RING,Int, M100 x 3

1шт.

12

87588882

BALL BEARING,40mm ID x 100mm OD x 25mm

1шт.

13

84145836

COVER ASSY

Incl 14 - 17

1шт.

14

10269504

PLUG,M14 x 1.5

2шт.

15

10839710

DOWEL,M10 x 15.00mm

2шт.

16

10275501

PLUG,Pipe, Hex Skt, M12 x 1.25 x 11mm, Cl 4.8

2шт.

17

14326004

PLUG,Hex Socket, M10 x 1.25 x 11.00mm, STL, DAC

3шт.

18

14453480

O-RING,17.17mm ID x 1.78mm

1шт.

19

84151087

TUBE

1шт.

20

14453381

O-RING,0.07" Thk x 0.614" ID, -16, Cl 7, 75 Duro

1шт.

21

15860124

BOLT,Hex, M14 x 1.5 x 50mm, Cl 8.8

6шт.

22

87574919

NUT,Hex, M45 x 1.5, 13 Thd

1шт.

23

87588681

SEALING RING,63.81mm ID x 67.81mm OD x 2.87mm Thk

2шт.

24

87363199

MANIFOLD

1шт.

25

84393643

SHAFT,10T, 22T, 11T, 743mm L

1шт.

26

14457080

O-RING,0.103" Thk x 0.487" ID, -112, Cl 5, 75 Duro

3шт.

Выбрано товаров: 26