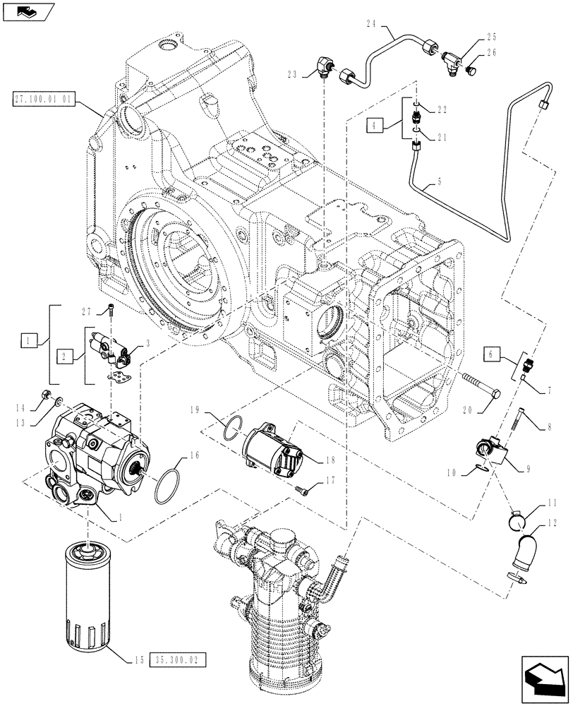
Запчасти Case IH PUMA 145 (35.106.01[01]) - VAR - 743681, 332835, 332839, 333835, 390839 - HYDRAULIC PUMP - STANDARD AND HI CAPACITY (35) - HYDRAULIC SYSTEMS

Схема запчастей Case IH PUMA 145 - (35.106.01[01]) - VAR - 743681, 332835, 332839, 333835, 390839 - HYDRAULIC PUMP - STANDARD AND HI CAPACITY (35) - HYDRAULIC SYSTEMS
19
35.300.02
5
7
20
11
14
3
12
27
1
10
25
26
home
27.100.01 01
22
21
18
9
1
6
24
13
15
8
16
2
4
17
23
FIT
1:1
100%

Артикул

Название

Примечание

Количество

1

84203720

HYDRAULIC PUMP

, Serial Range: -C7113

1шт.

113 L/Min, Standard Pump, Standard Build & Var. 332839

1шт.

1

84353126

HYDRAULIC PUMP,Gear, 56 CC / 74 CC

, Start Serial: D7113

1шт.

113 L/Min, Standard Pump, Standard Build & Var. 332839

1шт.

1

84203719

HYDRAULIC PUMP

, Serial Range: -C7113

1шт.

130 L/Min, High Capacity Pump, Var. 332835 & 333835

1шт.

1

84353124

PUMP,Gear, 63 CC / 82 CC

, Start Serial: D7113

1шт.

130 L/Min, High Capacity Pump, Var. 332835 & 333835

1шт.

2

84209779

COMPENSATOR

1шт.

3

84209778

GASKET

1шт.

4

86579671

HYD CONNECTOR,11/16" - 16 ORFS x M14 x 1.5 ORB

1шт.

5

84179215

TUBE

, Serial Range: -C7113

1шт.

5

84371827

TUBE

, Start Serial: D7113

1шт.

6

84181973

HYD CONNECTOR

Incl 7

1шт.

7

87323514

SLEEVE VALVE

1шт.

8

14302231

SCREW,M8 x 55mm, Cl 10.9

4шт.

9

84181974

FLANGE

1шт.

10

14463680

O-RING,0.139" Thk x 1.234" ID, -218, Cl 5, 75 Duro

1шт.

11

82039346

HOSE CLAMP,30mm - 45mm, Worm Gear

2шт.

12

87323539

ELBOW,90 Deg, 31mm ID x 45mm OD

1шт.

13

10730821

WASHER,Flat, 14.40mm ID x 26.00mm OD x 3.00mm, R80, ZND

2шт.

14

12164021

NUT,Thick Hex, M14, 1.50mm Pitch, 11.00mm High, Cl 10, ZND

2шт.

15

84341286

HYDRAULIC OIL FILTER,289.5mm L

1шт.

AFTER THE FIRST 50 HOURS ORDER THESE 3 ITEMS : Longer Filter Housing (PN 84417137) + Higher Capacity Element (PN 84417139) + O-Ring (PN 84550359); FOR THE NEXT REPLACEMENTS ORDER ONLY Higher Capacity Element (PN 84417139) + O-Ring (PN 84550359)”

1шт.

16

14461380

O-RING,0.103" Thk x 3.987" ID, -155, Cl 5, 75 Duro

1шт.

17

87016466

HEX SOC SCREW,M12 x 25mm, Cl 8.8, Full Thd

2шт.

18

84263360

HYDRAULIC PUMP,25.67 CC

Gear, 25 CC/Rev, Serial Range: -C7113

1шт.

18

84263360R

REMAN-HYD PUMP

Reman for New PN 84263360

1шт.

18

84263360C

CORE-HYDRAULIC PUMP

Return Number

1шт.

18

84355757

HYDRAULIC PUMP,21.95 CC

Gear, 25 CC/Rev, Start Serial: D7113

1шт.

19

14461080

O-RING,0.103" Thk x 3.237" ID, -152, Cl 5, 75 Duro

1шт.

20

15978124

BOLT,Hex, M14 x 1.5 x 120mm, Cl 8.8

2шт.

21

9993141

O-RING,0.07" Thk x 0.364" ID, -12, Cl 6, 90 Duro

1шт.

22

86598099

O-RING,2.2mm Thk x 11.3mm ID, Cl 6

1шт.

23

84372555

90 ELBOW,11/16"-16 ORFS x M16 x 1.5 ORB

, Start Serial: D7113

1шт.

24

84371832

HYD TUBE

, Start Serial: D7113

1шт.

25

84371830

TEE,11/16"-16 ORFS x M14 x 1.5 ORB x M14 x 1.5

, Start Serial: D7113

1шт.

26

86611704

PLUG,Hex, M14 x 1.5 ORB

, Start Serial: D7113

1шт.

27

NSS

NOT SOLD SEPARAT

Bolt

1шт.

Выбрано товаров: 39