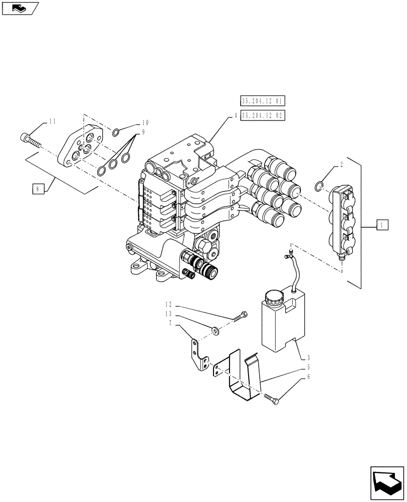
Запчасти Case IH PUMA 145 (35.204.11) - VAR - 331856 - EHR CONTROL VALVE - MOUNTING & ATTACHMENTS - 3 VALVE W/ POWER BEYOND (35) - HYDRAULIC SYSTEMS

Схема запчастей Case IH PUMA 145 - (35.204.11) - VAR - 331856 - EHR CONTROL VALVE - MOUNTING & ATTACHMENTS - 3 VALVE W/ POWER BEYOND (35) - HYDRAULIC SYSTEMS
4
home
35.204.12 02
35.204.12 01
7
13
11
6
8
2
5
9
3
1
12
10
FIT
1:1
100%

Артикул

Название

Примечание

Количество

1

84290177

DUST CAP

Incl 9, Serial Range: -C7117

2шт.

1

84338823

DUST CAP

Incl 9, Start Serial: D7117

2шт.

2

14454580

O-RING,34.65mm ID x 1.78mm

3шт.

3

84284864

RESERVOIR, HYDRAULIC

, Serial Range: -C7117

1шт.

3

84287277

RESERVOIR, HYDRAULIC

, Start Serial: D7117

1шт.

4

84230147

CONTROL VALVE

1шт.

5

84312030

SUPPORT

1шт.

6

10902121

SCREW,Hex, M6 x 14mm, Cl 8.8

2шт.

7

84311423

SUPPORT

1шт.

8

5199101

COVER

Incl 9, 10

1шт.

9

81862872

O-RING,2.4mm Thk x 19.6mm ID

3шт.

10

81862879

O-RING,2.4mm Thk x 7.6mm ID

1шт.

11

14306624

HEX SOC SCREW,M8 x 1.25 x 35mm, Cl 8.8, Full Thd

3шт.

12

16043424

SCREW,Hex, M8 x 1.25 x 20mm, Cl 8.8, Full Thd

2шт.

13

14496504

WASHER,8.4mm ID x 17mm OD x 1.6mm Thk

2шт.

Выбрано товаров: 15