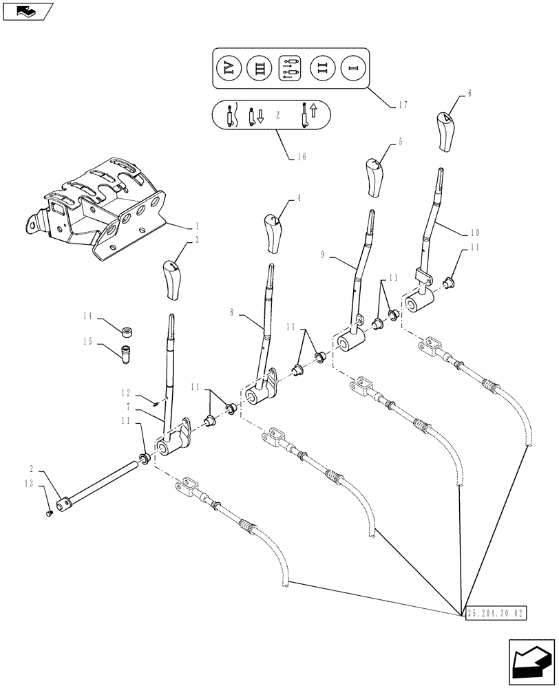
Запчасти Case IH PUMA 145 (35.204.30[01]) - VAR - 743685, 333845, 336845 - 4-LEVER REAR CONTROL (35) - HYDRAULIC SYSTEMS

Схема запчастей Case IH PUMA 145 - (35.204.30[01]) - VAR - 743685, 333845, 336845 - 4-LEVER REAR CONTROL (35) - HYDRAULIC SYSTEMS
home
16
35.204.30 02
z
11
12
2
4
11
9
15
5
13
6
8
11
14
3
7
11
17
10
11
1
FIT
1:1
100%

Артикул

Название

Примечание

Количество

1

84174782

FRAME

1шт.

2

84186398

HANDLED SHAFT

1шт.

3

82037910

KNOB

1st Control Lever

1шт.

4

82037911

KNOB

2nd Control Lever

1шт.

5

82037912

KNOB

3rd Control Lever

1шт.

6

82037913

KNOB

4th Control Lever

1шт.

7

84174789

LEVER

1шт.

8

84174790

LEVER

1шт.

9

84174791

LEVER

1шт.

10

84174792

LEVER

1шт.

11

82035633

BUSHING

8шт.

12

84209523

SPRING LOCK

4шт.

13

86505761

BOLT,Hex, M5 x 0.8 x 8mm, Cl 8.8, Full Thd

1шт.

14

84209516

LOCKING DEVICE

4шт.

15

84209520

LOCKING DEVICE

4шт.

16

87484588

DECAL

Remote Valve

2шт.

17

87368555

DECAL

1шт.

Выбрано товаров: 17