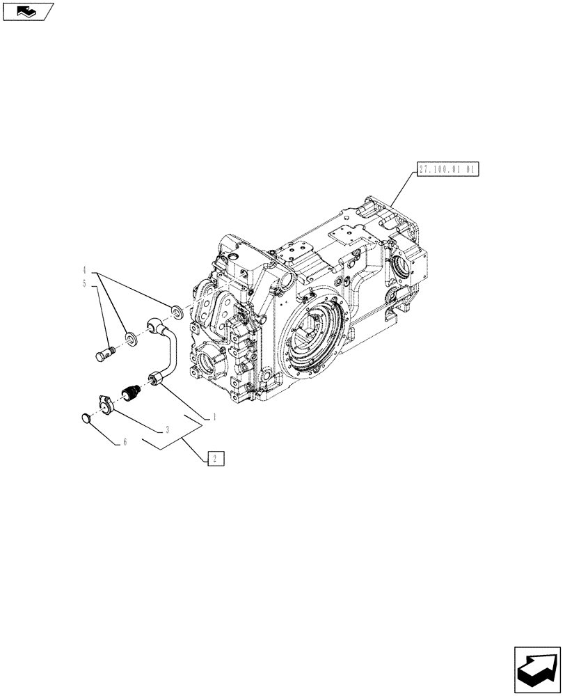
Запчасти Case IH PUMA 145 (35.204.31) - VAR - 743682, 331839 - LOW PRESSURE HYDRAULIC RETURN (35) - HYDRAULIC SYSTEMS

Схема запчастей Case IH PUMA 145 - (35.204.31) - VAR - 743682, 331839 - LOW PRESSURE HYDRAULIC RETURN (35) - HYDRAULIC SYSTEMS
4
3
1
2
home
27.100.01 01
6
5
FIT
1:1
100%

Артикул

Название

Примечание

Количество

1

84316796

PIPE

Free Return, EDC

1шт.

2

87301571

QUICK MALE COUPLING,M22 x 1.5

Incl 3

1шт.

3

47056253

CAP,59.5mm L x 46mm D x 19.4mm Thk, Black

1шт.

4

10296260

SEAL,28.4mm ID x 36mm OD x 1.5mm Thk

2шт.

5

87305112

BANJO BOLT,G-3/4" x 50mm

1шт.

6

82029895

DISC,20mm D, Black

Black

1шт.

Выбрано товаров: 6