Запчасти Case IH PUMA 145 (35.724.03[01]) - VAR - 332821, 334821, 743702 - EUROPEAN LOADER READY - PIPES - C7113 (35) - HYDRAULIC SYSTEMS

Схема запчастей Case IH PUMA 145 - (35.724.03[01]) - VAR - 332821, 334821, 743702 - EUROPEAN LOADER READY - PIPES - C7113 (35) - HYDRAULIC SYSTEMS
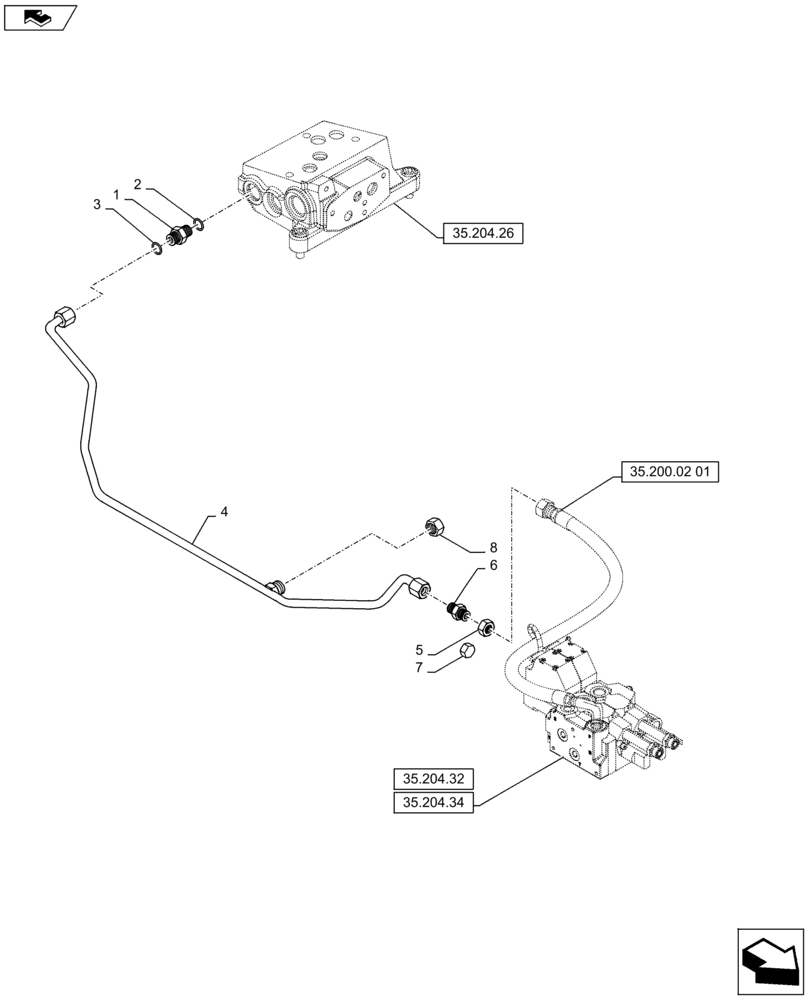
1
35.200.02 01
4
7
home
8
35.204.26
35.204.32
3
5
35.204.34
2
6
FIT
1:1
100%

Артикул

Название

Примечание

Количество

1

86579680

HYD CONNECTOR,1"-14 ORFS x M22 x 1.5mm ORB

1шт.

2

9992069

O-RING,0.07" Thk x 0.614" ID, -16, Cl 6, 90 Duro

1шт.

3

86598102

O-RING,2.2mm Thk x 19.3mm ID, Cl 6, 90 Duro

1шт.

4

84140141

HYD TUBE,16.00mm OD x 1018.60mm

Pressure

1шт.

5

86639085

BHD LOCK NUT,1"-14, Bulkhead

1шт.

6

86978771

UNION,16mm L

1шт.

7

9840576

CAP,1" - 14 ORFS

1шт.

8

9840575

CAP,13/16" - 16 ORFS

1шт.

Выбрано товаров: 8