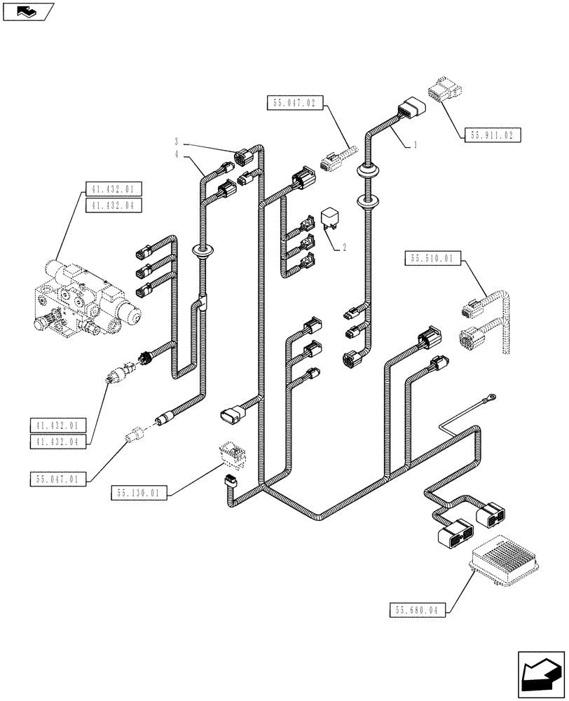
Запчасти Case IH PUMA 145 (55.680.03) - HARNESS - AUTO GUIDANCE SYSTEM READY (55) - ELECTRICAL SYSTEMS

Схема запчастей Case IH PUMA 145 - (55.680.03) - HARNESS - AUTO GUIDANCE SYSTEM READY (55) - ELECTRICAL SYSTEMS
1
3
41.432.04
55.680.04
55.510.01
55.130.01
55.047.01
home
41.432.01
41.432.04
41.432.01
55.047.02
55.911.02
2
4
FIT
1:1
100%

Артикул

Название

Примечание

Количество

1

87724812

WIRE HARNESS

Auto Guidance, Roof

1шт.

2

82017871

RELAY,12V, 20A

3шт.

3

84333397

WIRE HARNESS

Auto Guidance, Cab

1шт.

4

87724814

WIRE HARNESS

Auto Guidance, Steering

1шт.

Выбрано товаров: 4