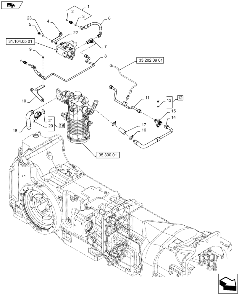
Запчасти Case IH PUMA 160 (21.102.03[01]) - TRANSMISSION LUBRICATION LINES - C7113 (21) - TRANSMISSION

Схема запчастей Case IH PUMA 160 - (21.102.03[01]) - TRANSMISSION LUBRICATION LINES - C7113 (21) - TRANSMISSION
23
21
14
35.300.01
20
33.202.09 01
31.104.05 01
9
18
1
11
3
17
8
13
16
7
22
19
10
6
15
12
5
4
2
home
FIT
1:1
100%

Артикул

Название

Примечание

Количество

1

86579676

HYD CONNECTOR,13/16" - 16 ORFS x M18 x 1.5 ORB

Incl 2, 3

2шт.

2

86598101

O-RING,2.2mm Thk x 15.3mm ID, Cl 6, 90 Duro

2шт.

3

9992298

O-RING,0.07" Thk x 0.489" ID, -14, Cl 6, 90 Duro

2шт.

4

84248618

BRACKET

1шт.

5

15540024

BOLT,Hex, M12 x 1.25 x 16mm, Cl 8.8, Full Thd

1шт.

6

84140196

HYDRAULIC HOSE

1шт.

7

86514261

TEE,13/16" - 16 JIC x 13/16" - 16 ORFS x 13/16" - 16 ORFS

1шт.

8

84140201

PRESSURE PIPE

RH, Cylinder

1шт.

9

16042924

SCREW,Hex, M8 x 1.25 x 10mm, Cl 8.8, Full Thd

1шт.

10

84174056

BRACKET

RH, Cylinder Pipe

1шт.

11

84140173

PRESSURE PIPE

Lube

1шт.

12

86611704

PLUG,Hex, M14 x 1.5 ORB

Incl 13

1шт.

13

86598099

O-RING,2.2mm Thk x 11.3mm ID, Cl 6

1шт.

14

84140217

PRESSURE PIPE

Pressure, Lube

1шт.

15

84151085

TEE

1шт.

16

13000590

HOSE CLAMP,25mm - 40mm, Worm Gear

2шт.

17

87653735

HOSE,25mm ID x 70mm L

Sleeve

1шт.

18

84140156

PRESSURE PIPE

G Port

1шт.

19

87653734

45 ELBOW,1-7/16"-12 ORFS x M42 x 2 ORB

Incl 20, 21

1шт.

20

9824050

O-RING,0.07" Thk x 0.926" ID, -21, Cl 6, 90 Duro

1шт.

21

86598105

O-RING,2.9mm Thk x 38.6mm ID, Cl 6, 90 Duro

1шт.

22

87010704

BHD LOCK NUT,11/16"-16

1шт.

23

5183780

SEALING WASHER,9.73mm ID x 18mm OD x 1.5mm Thk

2шт.

Выбрано товаров: 23