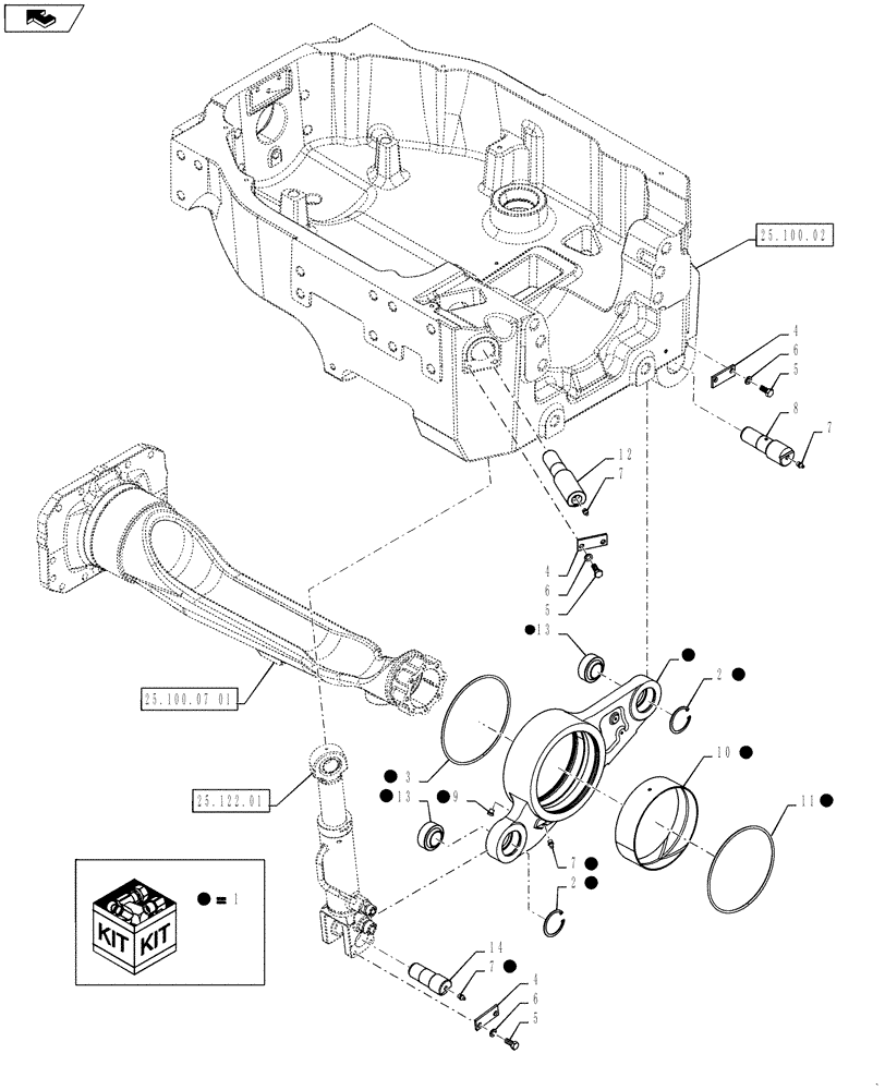
Запчасти Case IH PUMA 160 (25.100.07[02]) - VAR - 330414, 330427, 330429, 330430 - CYLINDER MOUNTING PARTS - SUSPENDED 4WD FRONT AXLE (25) - FRONT AXLE SYSTEM

Схема запчастей Case IH PUMA 160 - (25.100.07[02]) - VAR - 330414, 330427, 330429, 330430 - CYLINDER MOUNTING PARTS - SUSPENDED 4WD FRONT AXLE (25) - FRONT AXLE SYSTEM
1
6
1
1
2
9
5
25.100.02
25.122.01
home
25.100.07 01
7
14
12
1
4
6
1
1
13
7
13
7
10
5
1
2
6
11
1
5
1
7
3
1
1
4
4
8
1
1
FIT
1:1
100%

Артикул

Название

Примечание

Количество

1

87383938

ROD ASSY.

Front Axle Support, Incl 2, 3, 7, 9, 10, 11 & 13

1шт.

2

11061076

SNAP RING,M62, Int

2шт.

3

14483280

O-RING,8.225" ID x 0.210"

1шт.

4

82016870

BRACKET

3шт.

5

83962654

SCREW,Hex, M10 x 1.5 x 20mm, Gr 8.8

6шт.

6

85700672

LOCK WASHER,M10

6шт.

7

13407211

LUBE NIPPLE,M10 x 1

4шт.

8

87305641

PIN,44mm OD x 136mm L

1шт.

9

13411117

VALVE PRESSURE RELIE,M10, Black

1шт.

10

82020450

BUSHING,200mm ID x 205mm OD x 60mm L

1шт.

11

14483180

O-RING,0.21" Thk x 7.975" ID, -369, Cl 5, 75 Duro

1шт.

12

87340146

PIN,34mm OD x 89.7mm L

1шт.

13

82016695

SPHERICAL BEARING,60mm ID x 62mm OD x 35mm W

2шт.

14

87311698

PIN,34mm OD x 68mm L

1шт.

Выбрано товаров: 14