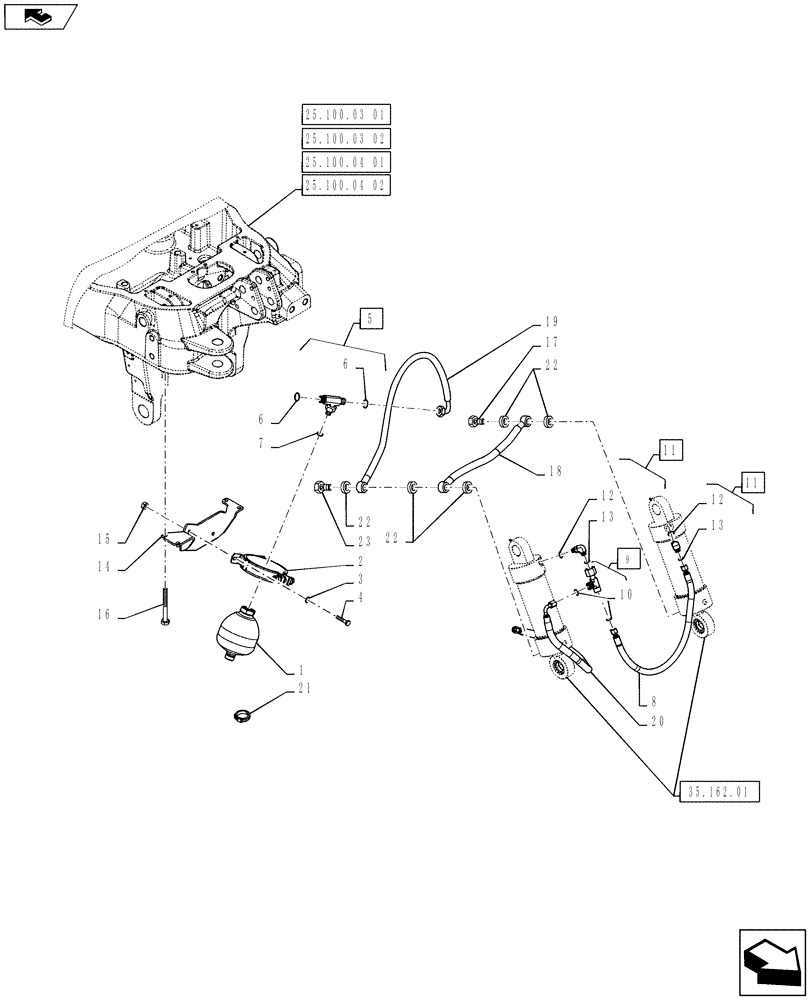
Запчасти Case IH PUMA 160 (35.160.08) - VAR - 333648, 334648, 335648, 336831, 337831 - FRONT HPL - PIPES AND ACCUMULATOR (35) - HYDRAULIC SYSTEMS

Схема запчастей Case IH PUMA 160 - (35.160.08) - VAR - 333648, 334648, 335648, 336831, 337831 - FRONT HPL - PIPES AND ACCUMULATOR (35) - HYDRAULIC SYSTEMS
16
9
6
8
13
23
20
12
1
17
3
2
22
22
22
15
14
5
10
4
18
19
6
21
7
11
home
13
35.162.01
25.100.03 01
25.100.03 02
25.100.04 01
25.100.04 02
11
12
FIT
1:1
100%

Артикул

Название

Примечание

Количество

1

84290006

ACCUMULATOR,210 Bar, 0.50L

1шт.

2

84290007

CLAMP,101 - 109mm D

1шт.

3

14496505

WASHER,Flat, 8.40mm ID x 17.00mm OD x 1.60mm, CST, ZND

2шт.

4

16043224

BOLT,Hex, M8 x 16mm, Cl 8.8

2шт.

5

86579710

TEE,13/16"-16 ORFS x M18 x 1.5 ORB Br

1шт.

6

9992298

O-RING,0.07" Thk x 0.489" ID, -14, Cl 6, 90 Duro

2шт.

7

86598101

O-RING,2.2mm Thk x 15.3mm ID, Cl 6, 90 Duro

1шт.

8

47057655

FLEXIBLE HOSE,Hyd, 10mm ID x 700mm L

1шт.

9

5194079

TEE

1шт.

10

5185511

O-RING,1.78mm Thk x 12.42mm ID, 85 Duro

2шт.

11

5185052

90 ELBOW,13/16"-16 x M18 x 1.5

2шт.

12

5185511

O-RING,1.78mm Thk x 12.42mm ID, 85 Duro

2шт.

13

14437985

O-RING,15.3mm ID x 2.4mm

2шт.

14

87731095

SUPPORT

1шт.

15

43362

NUT,M8 x 1.25, Cl 10

2шт.

16

16043421

BOLT,Hex, M8 x 1.25 x 20mm, Cl 8.8, Full Thd

4шт.

17

5170235

BANJO BOLT,M18 x 1.5 x 35mm

1шт.

18

84284813

FLEXIBLE HOSE,10.00mm ID x 430.00mm, SAE 100R16

1шт.

19

84284812

FLEXIBLE HOSE,10.00mm ID x 430.00mm, SAE 100R16

1шт.

20

84284811

FLEXIBLE HOSE,10.00mm ID x 570.00mm, SAE 100R16

1шт.

21

82001041

CABLE TIE,0.190" x 7.00" / 200 mm L

CABLE STRAP

1шт.

22

87495058

SEAL,Washer, 15.40mm ID x 26.00mm OD x 0.70mm, R50

5шт.

23

190003962633

BANJO BOLT

1шт.

Выбрано товаров: 23