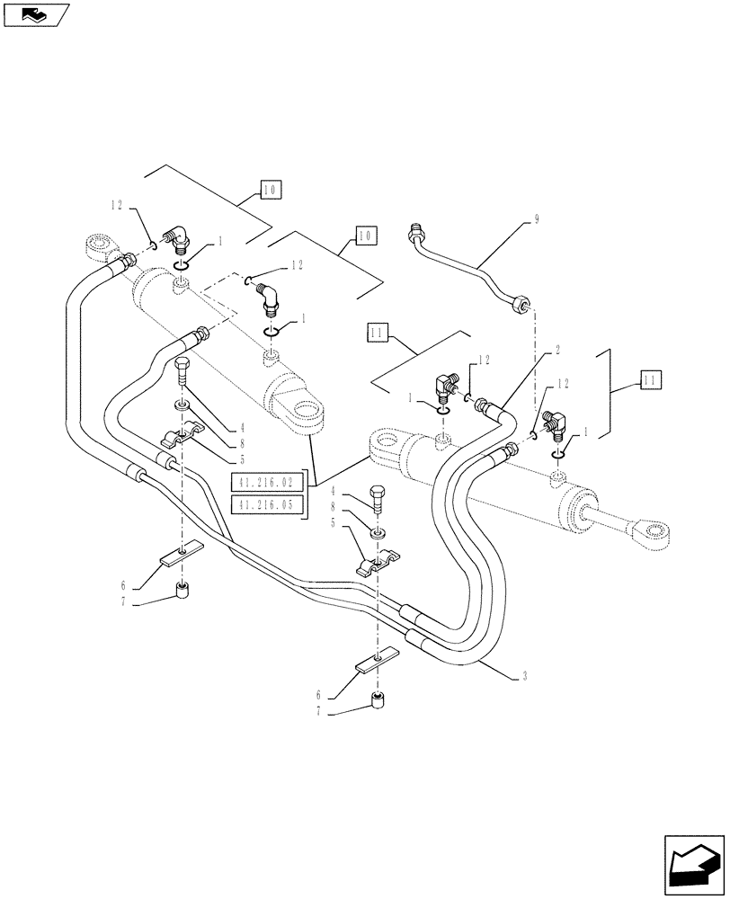
Запчасти Case IH PUMA 160 (41.200.03) - VAR - 330414, 330427 - CL.3 SUSPENDED FRONT AXLE - STEERING CYLINDER HYD. LINE (41) - STEERING

Схема запчастей Case IH PUMA 160 - (41.200.03) - VAR - 330414, 330427 - CL.3 SUSPENDED FRONT AXLE - STEERING CYLINDER HYD. LINE (41) - STEERING
1
11
5
1
8
5
home
41.216.05
41.216.02
3
12
8
7
1
12
10
7
12
1
4
9
6
10
2
12
4
6
11
FIT
1:1
100%

Артикул

Название

Примечание

Количество

1

14437785

O-RING,11.3mm ID x 2.4mm

1шт.

2

5188440

HYDRAULIC HOSE,10.00mm OD x 1450.00mm

RH

1шт.

3

5188439

HYDRAULIC HOSE,10.00mm OD x 1450.00mm

LH

1шт.

4

16043824

SCREW,Hex, M8 x 1.25 x 30mm, Cl 8.8, Full Thd, DAC

2шт.

5

5188504

BRACKET

2шт.

6

5188503

BRACKET

2шт.

7

13605811

SPACER,8.50mm ID x 18.00mm OD x 10.00mm, STL, ZND

2шт.

8

11193874

BELLEVILLE WASHER,M8 Bolt Size x 16mm OD x 1.4mm Thk

2шт.

9

87517475

HYD TUBE,10.00mm OD x 228.00mm, 50.00mm L

1шт.

10

47127165

90 ELBOW

Incl 1, 12

2шт.

11

5188443

90 ELBOW

Incl 1, 12

2шт.

12

5185510

O-RING,1.78mm Thk x 9.25mm ID, 85 Duro

1шт.

Выбрано товаров: 12