Запчасти Case IH PUMA 160 (41.200.08[01]) - VALVE - BREAKDOWN - C7113 (41) - STEERING

Схема запчастей Case IH PUMA 160 - (41.200.08[01]) - VALVE - BREAKDOWN - C7113 (41) - STEERING
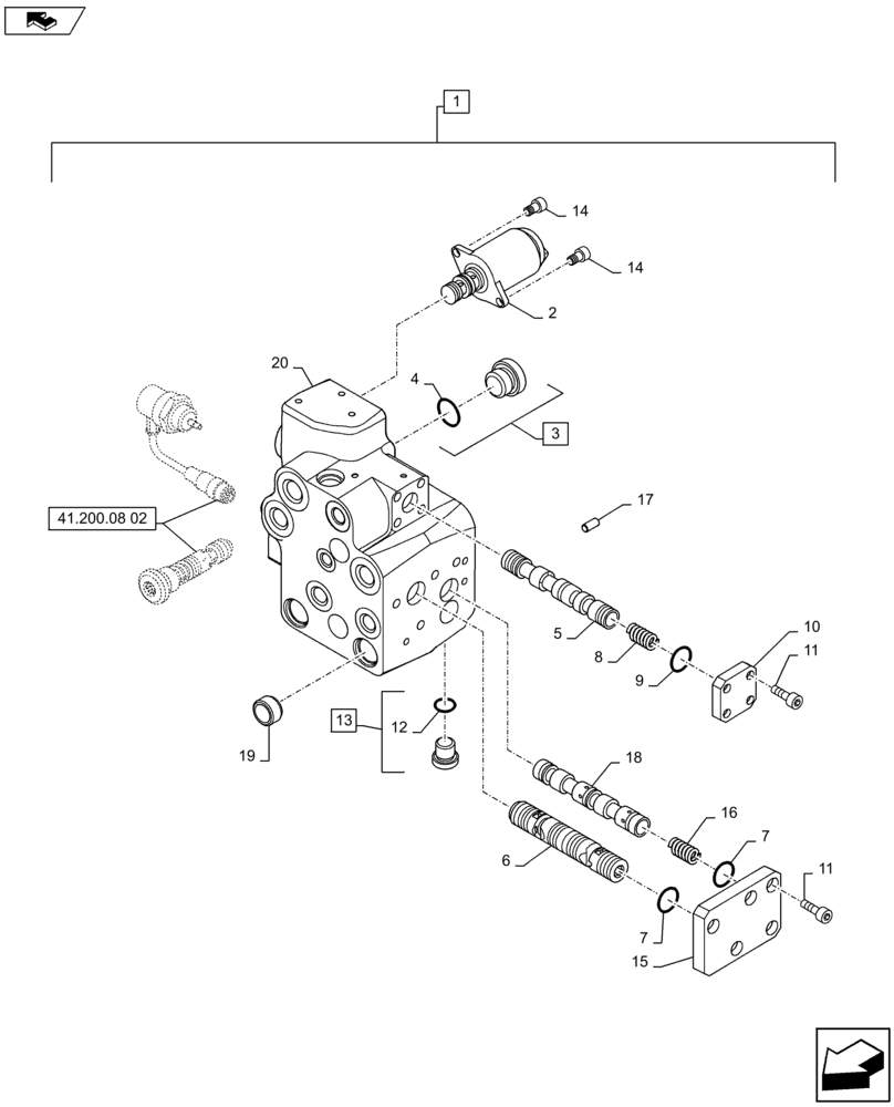
20
41.200.08 02
9
1
5
16
1
7
1
18
7
6
19
1
14
8
3
4
14
15
home
home
1
12
17
13
10
2
FIT
1:1
100%

Артикул

Название

Примечание

Количество

1

87525763

HYDRAULIC VALVE

ASSY

1шт.

2

47128861

SOLENOID VALVE

1шт.

3

47128844

PLUG

1шт.

4

5135738

O-RING,0.103" Thk x 0.674" ID, -115, 80 Duro

1шт.

5

87387085

SPOOL

1шт.

6

47128840

SPOOL

1шт.

7

14453681

O-RING,0.07" Thk x 0.801" ID, -19, Cl 7, 75 Duro

2шт.

8

47128854

SPRING

1шт.

9

14453581

O-RING,0.07" Thk x 0.739" ID, -18, Cl 7, 75 Duro

1шт.

10

47128846

FLANGE

1шт.

11

14305773

SCREW,M6 x 14mm

M6 x 14

9шт.

12

47129249

O-RING,0.362" ID x 0.568" OD x 0.103"

1шт.

13

47128842

PLUG,M12 x 1.5 x 17mm, w/Seal

M12 x 1.5

2шт.

14

14504073

SCREW,M5 x 10mm

M5 x 10

2шт.

15

47128847

FLANGE

1шт.

16

47128853

SPRING

1шт.

17

13804421

SET SCREW,Hex Skt, M5 x 6mm, Flat Pt

1шт.

18

47128838

SPOOL

1шт.

19

87336940

BUSHING

2шт.

20

NSS

NOT SOLD SEPARAT

Housing, Incl in 1

1шт.

Выбрано товаров: 20