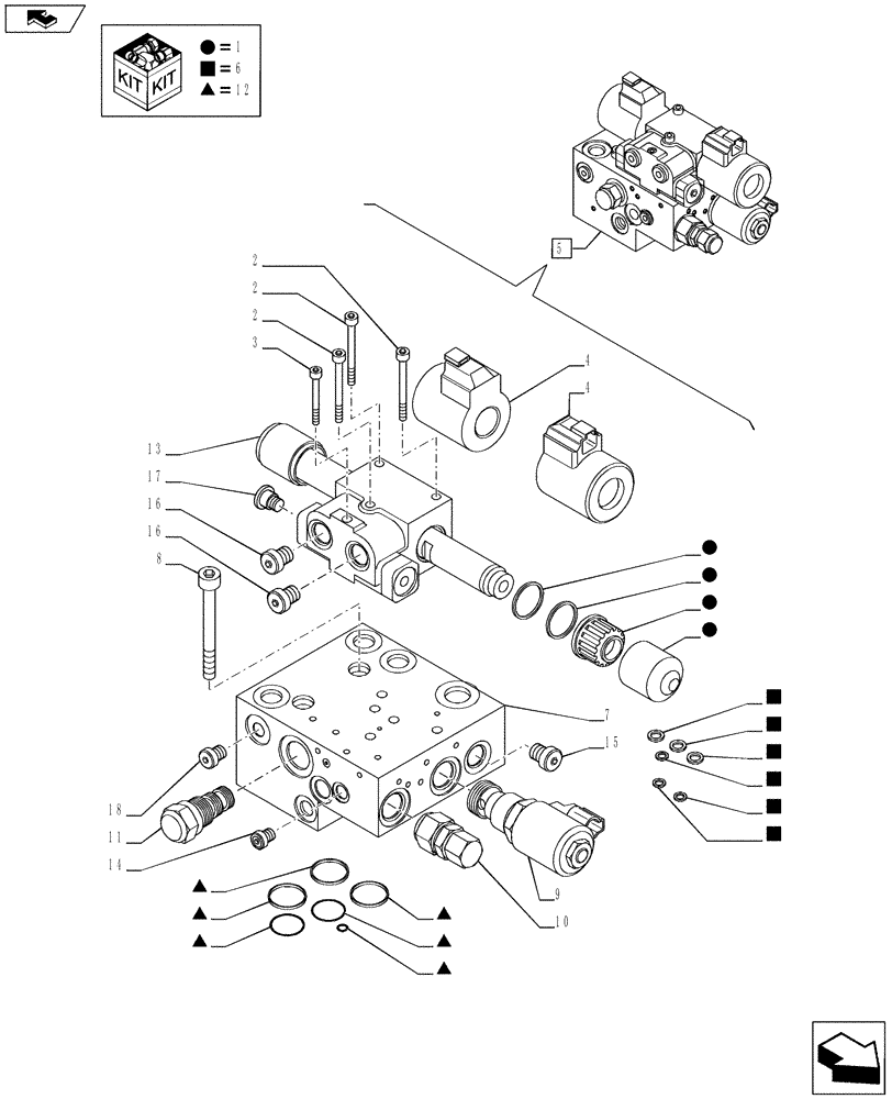
Запчасти Case IH PUMA 160 (41.432.05[01A]) - AUTOGUIDANCE VALVE - BREAKDOWN - PUMA 160 - D7113 (41) - STEERING

Схема запчастей Case IH PUMA 160 - (41.432.05[01A]) - AUTOGUIDANCE VALVE - BREAKDOWN - PUMA 160 - D7113 (41) - STEERING
15
4
6
2
8
1
5
17
1
12
6
6
11
6
4
2
10
1
6
6
12
2
14
1
12
home
12
3
13
12
16
12
1
7
18
12
6
16
12
6
9
1
FIT
1:1
100%

Артикул

Название

Примечание

Количество

1

84160386

SEAL

1шт.

2

14304871

HEX SOC SCREW,M6 x 55mm, Cl 12.9

3шт.

3

14304731

SCREW,M5 x 50mm, Cl 10.9

1шт.

4

84160390

COIL

2шт.

5

84166215

VALVE SECTION

1шт.

6

84160427

SEAL

1шт.

7

87696385

HYDRAULIC MANIFOLD

1шт.

8

84160398

BOLT,Hex, #10 - 32 x 90mm, Cl 12.9

2шт.

9

84178785

ELECTRO-VALVE

1шт.

10

84180623

VALVE PRESSURE RELIE

1шт.

11

84160409

SHUT-OFF VALVE

1шт.

12

84160425

SEAL

1шт.

13

87696384

PILOT VALVE

1шт.

14

84289782

PLUG

1шт.

15

84289784

PLUG

3шт.

16

84289783

PLUG,Hex, 3/8" - 19

2шт.

17

86632547

PLUG,Hex, 5/16"-24 ORB

1шт.

18

278548

PLUG,Hex, 7/16"-20 ORB

1шт.

Выбрано товаров: 18