Запчасти Case IH PUMA 160 (88.033.02[08]) - DIA KIT, PNEUMATIC TRAILER BRAKE (UNIVERSAL) - CONTROL VALVE AND RELEVANT PARTS (88) - ACCESSORIES

Схема запчастей Case IH PUMA 160 - (88.033.02[08]) - DIA KIT, PNEUMATIC TRAILER BRAKE (UNIVERSAL) - CONTROL VALVE AND RELEVANT PARTS (88) - ACCESSORIES
7
2
11
6
14
17
21
88.033.02 07
home
15
5
4
2
10
22
12
8
6
5
16
7
9
13
19
1
20
18
3
FIT
1:1
100%

Артикул

Название

Примечание

Количество

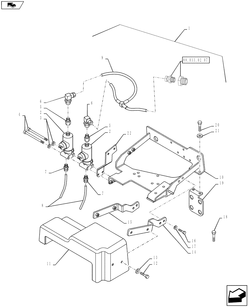
1

719385184

DIA KIT, TRACTOR

Pneumatic Trailer Brake, Universal, Incl 2 - 24, Kit also Incl Figures 88.033.02 01 - 12

1шт.

2

84359255

SOLENOID VALVE,1.41A, 12 VDC,

2шт.

3

10516679

LOCK WASHER,Helical Spring, 8.20mm ID x 14.80mm OD x 2.20mm, C72, ZNM

2шт.

4

14302124

HEX SOC SCREW,M8 x 1.25 x 100mm, Cl 8.8

2шт.

5

87678127

HYD CONNECTOR,M10 x 1, M12 x 1.5

2шт.

6

87678122

HYD CONNECTOR,M10 x 1

2шт.

7

82006828

ADAPTER

2шт.

8

82019793

HOSE,6.00mm OD x 70.00mm

2шт.

9

84358408

FLEXIBLE HOSE

1шт.

10

84360052

SUPPORT

1шт.

11

84149758

COVER

1шт.

12

86624996

BOLT,Hex Flange, M6 x 16.00mm, Cl 8.8, BZN

4шт.

13

14496501

WASHER,8.4mm ID x 17mm OD x 1.6mm Thk

4шт.

14

84174772

SUPPORT

LH

1шт.

15

84174774

SUPPORT

RH

1шт.

16

16043221

BOLT,Hex, M8 x 16mm, Cl 8.8, Full Thd

1шт.

17

12646701

WASHER,8.15mm ID x 20mm OD x 2mm Thk

3шт.

18

16043421

BOLT,Hex, M8 x 1.25 x 20mm, Cl 8.8, Full Thd

3шт.

19

84124500

BRACKET

1шт.

20

83962783

SCREW,Pozidriv Pan Hd, M6 x 20mm, Cl 4.8, Full Thd

2шт.

21

14496401

WASHER,M6.4 x 12.00mm x 1.60mm

2шт.

22

84233091

SUPPORT

1шт.

23

84389143

SPACER

4шт.

24

16100811

NUT,Hex, M8, 6.80mm, Cl 8, ZND

4шт.

25

10571779

LOCK WASHER,Helical Spring, 8.10mm ID x 14.80mm OD x 2.00mm, ZNM

4шт.

Выбрано товаров: 25