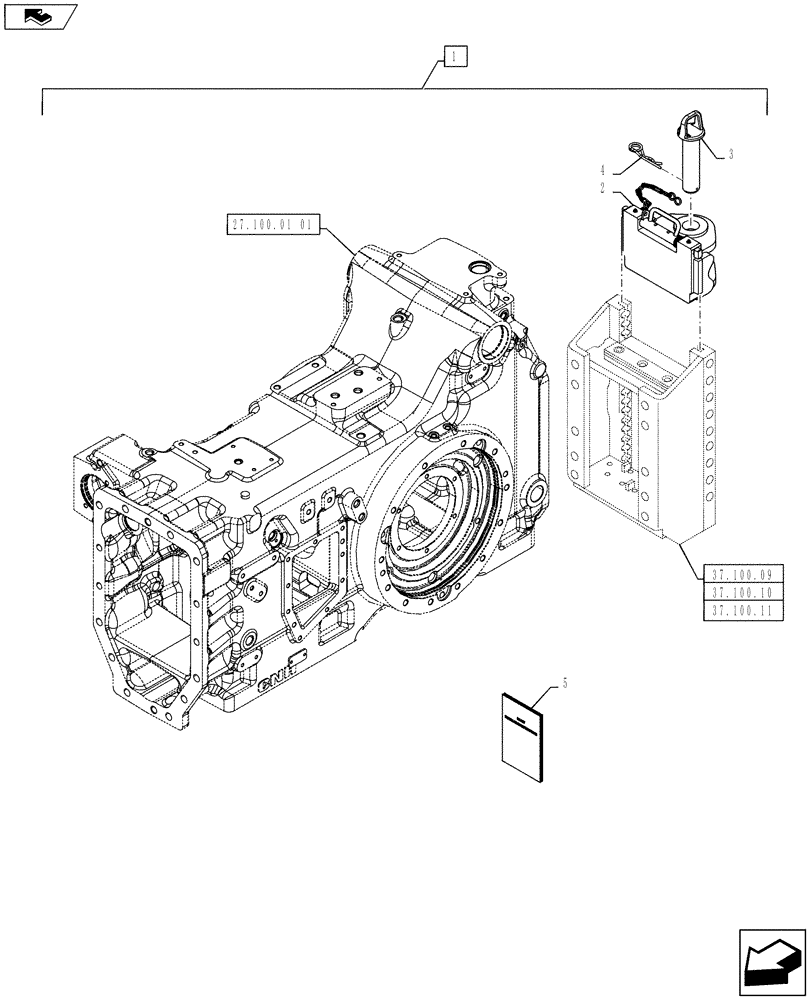
Запчасти Case IH PUMA 160 (88.037.03) - DIA KIT, SLIDER TOW HOOK WITH FIXED D3 TYPE COUPLINGS - 50MM (88) - ACCESSORIES

Схема запчастей Case IH PUMA 160 - (88.037.03) - DIA KIT, SLIDER TOW HOOK WITH FIXED D3 TYPE COUPLINGS - 50MM (88) - ACCESSORIES
37.100.10
37.100.09
37.100.11
home
27.100.01 01
3
5
4
2
1
FIT
1:1
100%

Артикул

Название

Примечание

Количество

1

710947024

DIA KIT, TRACTOR

Hook Cat D3 for Slider Type Trailer Hitch 50mm Dia Pin, Incl 2 - 5

1шт.

2

84142248

INSTRUCTION

1шт.

3

5152005

PIN

1шт.

4

5152004

HAIR PIN COTTER,195mm L

1шт.

5

82027419

TOW HOOK

Cat D3

1шт.

Выбрано товаров: 5