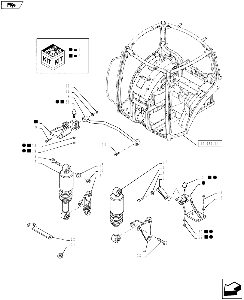
Запчасти Case IH PUMA 160 (90.150.04) - VAR - 331619, 333658, 334658, 743709 - CAB SUSPENSION - REAR - PUMA 160 (90) - PLATFORM, CAB, BODYWORK AND DECALS

Схема запчастей Case IH PUMA 160 - (90.150.04) - VAR - 331619, 333658, 334658, 743709 - CAB SUSPENSION - REAR - PUMA 160 (90) - PLATFORM, CAB, BODYWORK AND DECALS
2
19
6
23
4
1
22
3
15
4
19
9
13
3
24
4
11
4
14
4
4
3
18
8
20
3
5
home
90.150.01
3
4
3
17
17
7
10
3
4
20
3
21
12
21
4
16
3
FIT
1:1
100%

Артикул

Название

Примечание

Количество

1

84131403

SUPPORT

LH

1шт.

2

84130981

SUPPORT

RH

1шт.

3

87521135

SUPPORT

LH

1шт.

4

87521139

SUPPORT

RH

1шт.

5

87543582

PIN,20mm OD x 104mm L

4шт.

6

11066871

CIRCLIP,M20

4шт.

7

87357896

STRAP,165mm L

2шт.

8

87591850

TIE-ROD,2 x 38.9mm ID

1шт.

9

395528

BOLT,Hex, M20 x 2.5 x 100mm, Cl 8.8

1шт.

10

14497101

WASHER,M20 x 37 x 3

2шт.

11

82020635

NUT,Prevailing Torque, M20 x 2.5 x 20mm, Cl8

2шт.

12

10520324

WASHER,18.4mm ID x 32mm OD x 4mm Thk

8шт.

13

15239624

BOLT,Hex, M18 x 1.5 x 65mm, Cl 8.8

8шт.

14

80043188

BOLT,M20 x 2.5 x 120mm, Cl 8.8

1шт.

15

12646001

WASHER,14.4mm ID x 24mm OD x 2mm Thk

6шт.

16

12577311

LOCK NUT,Prevailing Torque, M14 x 2.0 x 16.6mm, Cl8, ZND

2шт.

17

84163866

DAMPER

2шт.

18

86509599

BOLT,Hex, M14 x 90mm, Cl 8.8

2шт.

19

12577511

NUT,M12 x 1.75, Cl 8

2шт.

20

14496701

WASHER,13.00mm ID x 24.00mm OD x 2.50mm, CST, ZND

2шт.

21

82025784

RUBBER PAD,M12 x 1.75

2шт.

22

82034842

SPECIAL WRENCH

1шт.

23

86518210

BOLT,Hex, M14 x 75mm, Cl 8.8

2шт.

24

84134918

FLANGE NUT,Hex, M16 x 1.5

4шт.

Выбрано товаров: 24