Запчасти Case IH PUMA 165 (1.80.7/01[01]) - (VAR.349) 4 SPEED SHIFTABLE PTO ELECTRIC CONTROL 540/540E/1000/1000E - PTO, CLUTCH - D6479 (07) - HYDRAULIC SYSTEM

Схема запчастей Case IH PUMA 165 - (1.80.7/01[01]) - (VAR.349) 4 SPEED SHIFTABLE PTO ELECTRIC CONTROL 540/540E/1000/1000E - PTO, CLUTCH - D6479 (07) - HYDRAULIC SYSTEM
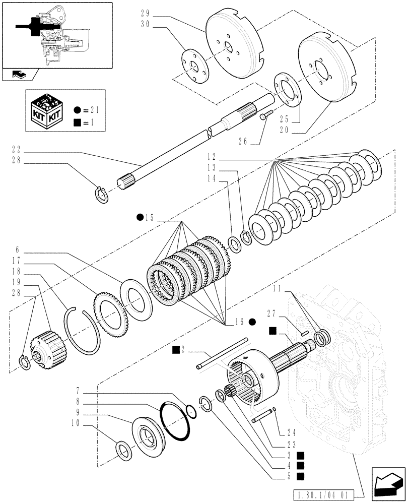
1
1
20
7
30
28
23
25
3
4
29
21
14
16
home
1.80.1/04 01
1
28
15
1
26
12
18
1
13
11
2
10
19
21
21
21
17
22
24
1
27
9
5
8
6
1
FIT
1:1
100%

Артикул

Название

Примечание

Количество

1

84240107

CONTROL SHAFT

1шт.

2

84207458

TUBE,10 mm ID x 13 - 16 mm OD x 204 mm L

1шт.

3

5138952

NEEDLE BEARING,Needle, 25mm ID x 32mm OD x 26mm W

1шт.

4

5182702

GASKET,25mm ID x 33mm OD x 4mm Thk

1шт.

5

5182717

SNAP RING,1.5mm Thk

1шт.

6

81864341

SPRING,148.35mm ID

8шт.

7

5162252

GASKET,68mm ID x 75.5mm OD x 3.2mm Thk

1шт.

8

5182703

GASKET,119.55mm ID x 127mm OD x 3.2mm Thk

1шт.

9

5182697

PISTON

1шт.

10

5182696

PISTON RING,56mm ID x 72.99mm OD x 3mm Thk

1шт.

11

14457781

O-RING,23.47mm ID x 2.62" Width

2шт.

12

5168346

BELLEVILLE WASHER,56mm ID x 80mm OD x 3.3mm Thk

12шт.

13

5191305

CIRCLIP,54mm ID

2шт.

14

5191304

RETAINER CUP,55mm ID x 66mm OD x 3mm Thk

1шт.

15

5163844

CLUTCH DRIVING PLATE,99mm ID x 140mm OD x 1.7mm Thk

Square Pattern

8шт.

16

5173294

CLUTCH DISC,99mm ID x 152.6mm OD x 2mm Thk

CLUTCH DISK 2 mm Thk

1шт.

16

5173295

CLUTCH DISC,99mm ID x 152.6mm OD x 2.2mm Thk

CLUTCH DISK 2.2 mm Thk

1шт.

17

5198772

CLUTCH PLATE,94.5mm ID x 152.6mm OD x 9.5mm Thk

1шт.

18

5162251

CIRCLIP,142.5mm ID

1шт.

19

87720207

HUB

, Serial Range: -C6895

1шт.

19

84382728

HUB

, Start Serial: D6895

1шт.

20

87720213

COVER

, Serial Range: -C6895

1шт.

21

5198796

CLUTCH PLATE,31.2mm Thk

1шт.

22

84200355

SHAFT

1шт.

23

84209836

TUBE,10 mm ID x 15.90 mm OD x 133.50 mm L

2шт.

24

14453182

O-RING,0.07" Thk x 0.489" ID, -14, Cl 9, 70 Duro

4шт.

25

84123007

SPACER

, Serial Range: -C6895

1шт.

26

84123008

SCREW,Hex, M6 x 20mm, Cl 8.8

M6 x 20, Serial Range: -C6895

4шт.

26

16043634

SCREW,Hex, M8 x 1.25 x 25mm, Cl 10.9, Full Thd

, Start Serial: D6895

4шт.

27

14536590

PLUG,10.00mm Dia x 19.80mm L

2шт.

28

11068076

SNAP RING,M32, Ext

2шт.

29

84382726

COVER,192mm OD x 31mm W

, Start Serial: D6895

1шт.

30

84382729

SPACER

, Start Serial: D6895

1шт.

Выбрано товаров: 33