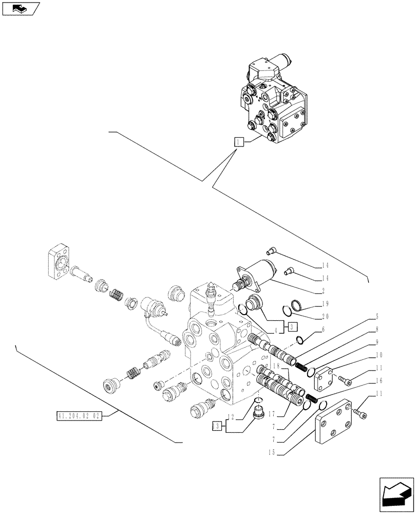
Запчасти Case IH PUMA 170 (41.204.02[01]) - FAST STEERING - VALVE - BREAKDOWN (VAR.729636; VAR.743187 / 743608) (41) - STEERING

Схема запчастей Case IH PUMA 170 - (41.204.02[01]) - FAST STEERING - VALVE - BREAKDOWN (VAR.729636; VAR.743187 / 743608) (41) - STEERING
20
14
7
14
9
12
18
41.204.02 02
home
17
16
8
10
11
4
5
19
1
3
7
11
6
13
15
2
FIT
1:1
100%

Артикул

Название

Примечание

Количество

1

87589947

HYDRAULIC VALVE

ASSY

1шт.

2

47128861

SOLENOID VALVE

1шт.

3

47128844

PLUG

1шт.

4

5135738

O-RING,0.103" Thk x 0.674" ID, -115, 80 Duro

1шт.

5

87387085

SPOOL

1шт.

6

87705324

SEAL

1шт.

7

14453681

O-RING,0.07" Thk x 0.801" ID, -19, Cl 7, 75 Duro

2шт.

8

47128854

SPRING

1шт.

9

14453581

O-RING,0.07" Thk x 0.739" ID, -18, Cl 7, 75 Duro

1шт.

10

47128846

FLANGE

1шт.

11

14305773

SCREW,M6 x 14mm

M6 x 14

13шт.

12

47129249

O-RING,0.362" ID x 0.568" OD x 0.103"

1шт.

13

47128842

PLUG,M12 x 1.5 x 17mm, w/Seal

M12 x 1.5

1шт.

14

14504073

SCREW,M5 x 10mm

M5 x 10

2шт.

15

47128847

FLANGE

1шт.

16

47128853

SPRING

1шт.

17

87471332

SPOOL

1шт.

18

47128838

SPOOL

1шт.

19

47136168

BACK-UP RING

4шт.

20

14457681

O-RING,0.103" Thk x 0.862" ID, -118, Cl 7, 75 Duro

4шт.

Выбрано товаров: 20