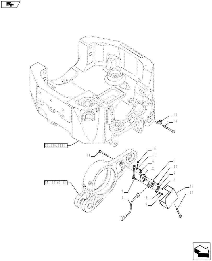
Запчасти Case IH PUMA 170 (55.418.08[01A]) - 4WD FRONT AXLE WITH ACTIVE SUSPENSION - ROTARY POSITION SENSOR - D7090 (VAR.720463-743963-743964) (55) - ELECTRICAL SYSTEMS

Схема запчастей Case IH PUMA 170 - (55.418.08[01A]) - 4WD FRONT AXLE WITH ACTIVE SUSPENSION - ROTARY POSITION SENSOR - D7090 (VAR.720463-743963-743964) (55) - ELECTRICAL SYSTEMS
10
8
9
1
11
5
12
7
13
14
3
home
25.100.02 02
4
15
25.100.0101
2
14
6
14
FIT
1:1
100%

Артикул

Название

Примечание

Количество

1

82022099

WIRE HARNESS

1шт.

2

87584115

BRACKET

1шт.

3

87605245

POTENTIOMETER,4000 Ohm, 13.5 VDC

Rotary Position Sensor

1шт.

4

11087871

CIRCLIP,M7

1шт.

5

12574211

NUT,M6 x 1, Cl 8

1шт.

6

83907686

WASHER,M6 x 6.4mm ID x 12.0mm OD x 1.5mm Thk

1шт.

7

82016939

ARM

1шт.

8

82016945

LINK

1шт.

9

82016944

PIN,6mm OD x 14mm L

1шт.

10

82879533

NUT

M6

1шт.

11

82016943

EYE,M6 x 1

1шт.

12

82037906

GUARD

1шт.

13

82033028

CABLE TIE,170mm L

2шт.

14

10902124

SCREW,Hex, M6 x 14mm, Cl 8.8

8шт.

15

86639241

NUT,Prev Torque, M5 x 0.8, Cl 8

1шт.

Выбрано товаров: 15