Запчасти Case IH PUMA 195 (1.32.8[08]) - HYDRAULIC PUMP - PRIMING VALVE BLOCK AND PIPES - C6662 (03) - TRANSMISSION

Схема запчастей Case IH PUMA 195 - (1.32.8[08]) - HYDRAULIC PUMP - PRIMING VALVE BLOCK AND PIPES - C6662 (03) - TRANSMISSION
1
1
9
1
1
6
7
10
5
1
1.21.0 03
home
1.21.0 02
12
2
12
3
1
3
1
4
11
8
1
FIT
1:1
100%

Артикул

Название

Примечание

Количество

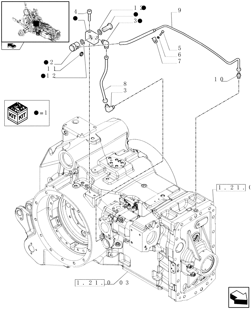
1

84152203

BLOCK

1шт.

2

5146873

VALVE PRESSURE RELIE

1шт.

3

86579689

ELBOW,90 Degree, 13/16" - 16 ORFS x M14 x 1.5 ORB

2шт.

4

14307921

HEX SOC SCREW,M10 x 1.25 x 50mm, Cl 8.8

1шт.

5

86508568

BOLT,Hex, M6 x 1 x 16mm, Cl 8.8

1шт.

6

86588450

WASHER,6.6mm ID x 12mm OD x 1.6mm Thk

1шт.

7

84152224

CLAMP BRACKET

1шт.

8

84152206

HYD TUBE

1шт.

9

84152213

HYD TUBE

1шт.

10

86579671

HYD CONNECTOR,11/16" - 16 ORFS x M14 x 1.5 ORB

1шт.

11

13000290

HOSE CLAMP,12mm - 18mm, Worm Gear

12 x 18

1шт.

12

5165897

SEALING WASHER,22.7mm ID x 30mm OD x 2mm Thk

1шт.

Выбрано товаров: 12