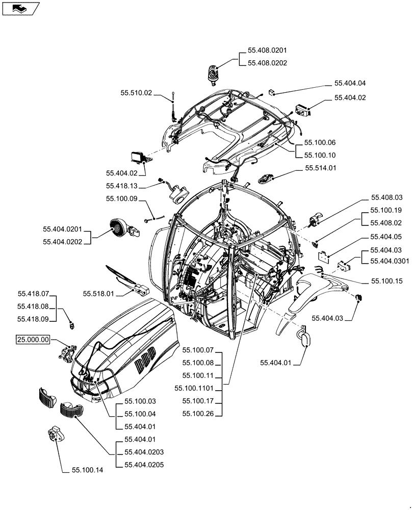
Запчасти Case IH PUMA 200 (55.000.00[03]) - PICTORIAL INDEX - ELECTRICAL SYSTEMS (55) - ELECTRICAL SYSTEMS

Схема запчастей Case IH PUMA 200 - (55.000.00[03]) - PICTORIAL INDEX - ELECTRICAL SYSTEMS (55) - ELECTRICAL SYSTEMS
55.404.01
55.100.03
55.100.10
55.100.06
55.404.05
55.404.04
55.418.13
25.000.00
55.404.02
55.404.0205
55.408.03
55.404.0301
55.404.03
home
55.100.14
55.100.26
55.100.17
55.418.09
55.418.08
55.418.07
55.100.1101
55.100.11
55.100.08
55.100.07
55.100.15
55.100.19
55.408.02
55.404.01
55.100.04
55.514.01
55.404.02
55.408.0202
55.408.0201
55.510.02
55.100.09
55.404.0202
55.404.0201
55.518.01
55.404.01
55.404.03
55.404.0203
FIT
1:1
100%