Запчасти Case IH PUMA 200 (88.035.10[03]) - DIA KIT - FRONT HPL FOR SUSPENDED AND STD AXLES, LESS PTO, LESS COUPLER, LIFTER - BREAKDOWN (88) - ACCESSORIES

Схема запчастей Case IH PUMA 200 - (88.035.10[03]) - DIA KIT - FRONT HPL FOR SUSPENDED AND STD AXLES, LESS PTO, LESS COUPLER, LIFTER - BREAKDOWN (88) - ACCESSORIES
88.035.10 02
6
22
13
16
25
8
4
12
19
26
24
23
5
22
16
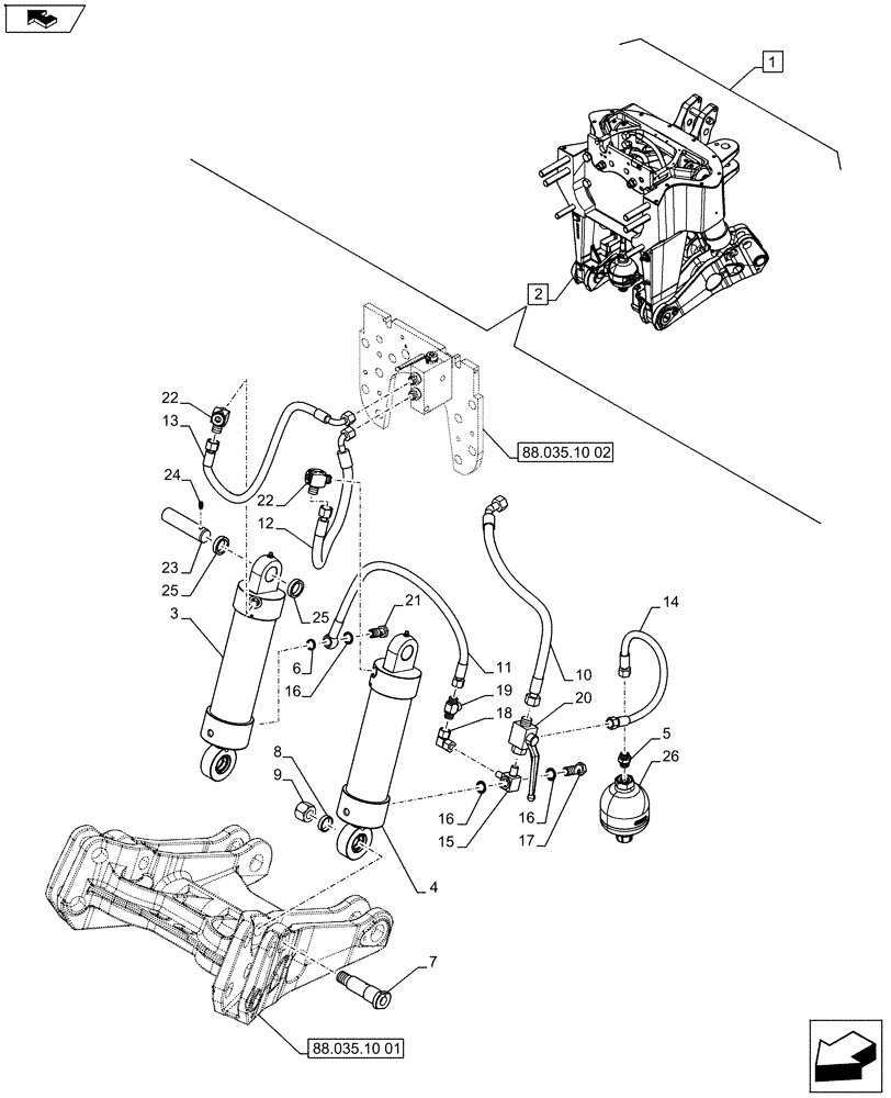
1
17
10
20
9
18
16
home
2
21
11
15
25
3
7
14
88.035.10 01
FIT
1:1
100%

Артикул

Название

Примечание

Количество

1

718062024

DIA KIT, TRACTOR

Front HPL for Suspended and STD Axles, Less PTO, Less Couplers, Contains Ref. 2-26

1шт.

Refer to Installation Instructions for Correct Assembly Procedure

1шт.

2

84406892

HITCH

ASSY

1шт.

3

84470637

LIFT CYLINDER,Double Acting, 40mm Rod, 252mm Stroke

RH, ASSY

1шт.

4

84486252

LIFT CYLINDER,Double Acting, 40mm Rod, 252mm Stroke

LH, ASSY

1шт.

5

84486317

FITTING

1шт.

6

84486579

SEAL

1шт.

7

84472397

HITCH PIN

2шт.

8

84370963

SPACER

2шт.

9

86639243

NUT,M24 x 3, Cl 8

2шт.

10

84480701

HOSE,12.5mm ID x 555mm L, SAE 100R16

1шт.

11

84480663

HOSE

RH

1шт.

12

84480692

HOSE,10mm ID x 540mm L, SAE 100R16

1шт.

13

84480688

HOSE,10mm ID x 675mm L, SAE 100R16

RH

1шт.

14

84481587

HOSE,10mm ID x 485mm L, SAE 100R16

1шт.

15

84479771

HYD CONNECTOR

1шт.

16

87667806

SEALING WASHER,18mm ID x 26mm OD x 1.5mm

3шт.

17

84479823

BANJO BOLT

1шт.

18

84479797

ELBOW

1шт.

19

84479766

UNION TEE

1шт.

20

84479480

SHUT-OFF VALVE

1шт.

21

84480026

BANJO BOLT

1шт.

22

84480614

SWIVEL CONNECTION

LH

2шт.

23

84472936

PIN

2шт.

24

87302865

SET SCREW,M8 x 16mm, Cl 8.8

2шт.

25

84473048

SPACER

4шт.

26

84290006

ACCUMULATOR,210 Bar, 0.50L

1шт.

Выбрано товаров: 27