Запчасти Case IH PUMA 200 (88.035.10[17]) - DIA KIT - FRONT HPL SUSPENDED AND STD AXLES, LESS PTO, LESS COUPLER - PIPES AND BRACKETS (88) - ACCESSORIES

Схема запчастей Case IH PUMA 200 - (88.035.10[17]) - DIA KIT - FRONT HPL SUSPENDED AND STD AXLES, LESS PTO, LESS COUPLER - PIPES AND BRACKETS (88) - ACCESSORIES
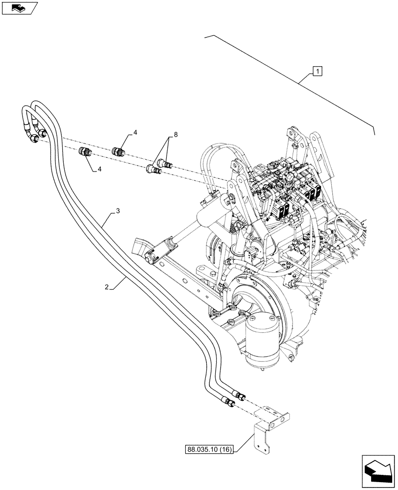
88.035.10 (16)
2
home
3
1
4
8
4
FIT
1:1
100%

Артикул

Название

Примечание

Количество

1

718062014

DIA KIT, TRACTOR

Front Linkage for Suspended and Standard Axle Less PTO, Less Aux. Couplers, Contains Ref. 2-8

1шт.

Refer to Installation Instructions for Correct Assembly Procedure

1шт.

2

47685466

HOSE

1шт.

Cylinder Lower

1шт.

3

47385448

1шт.

Cylinder Raise

1шт.

4

5185524

HYD CONNECTOR

ASSY, Contains Ref. 5-7

2шт.

5

83972881

COUPLING

2шт.

Выбрано товаров: 8