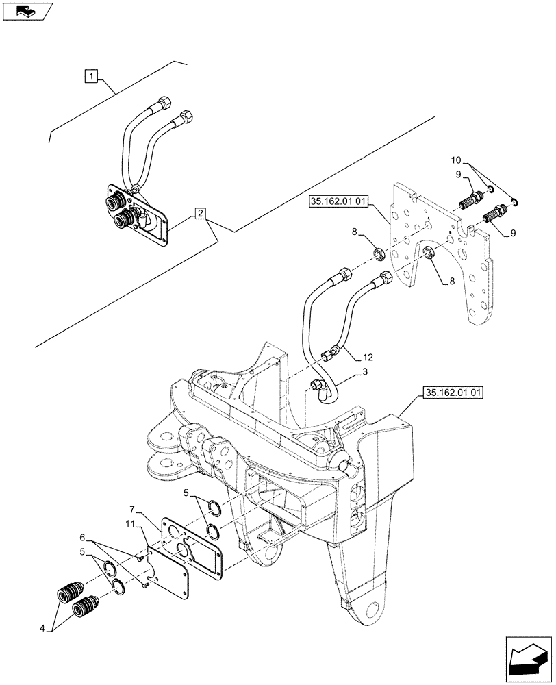
Запчасти Case IH PUMA 200 (88.035.11[01]) - DIA KIT - FRONT COUPLER FOR ATT DEVICE FRONT HYD - BREAKDOWN (88) - ACCESSORIES

Схема запчастей Case IH PUMA 200 - (88.035.11[01]) - DIA KIT - FRONT COUPLER FOR ATT DEVICE FRONT HYD - BREAKDOWN (88) - ACCESSORIES
35.162.01 01
9
10
1
8
5
8
4
9
12
6
7
11
2
home
3
5
35.162.01 01
FIT
1:1
100%

Артикул

Название

Примечание

Количество

1

718065024

DIA KIT, TRACTOR

Front Coupler for ATT Device Front HYD, Contains Ref. 2-12

1шт.

2

84403587

KIT

ASSY

1шт.

3

84481729

HOSE,10mm ID x 468mm L, SAE 100R16

1шт.

4

87691051

COUPLING, QUICK, FEM

2шт.

5

11068674

CIRCLIP,M38

4шт.

6

86977726

BOLT,Hex, M6 x 12mm, Cl 8.8

2шт.

7

84481686

MOUNTING PLATE

1шт.

8

84486614

NUT

2шт.

9

84481139

FITTING

2шт.

10

9992069

O-RING,0.07" Thk x 0.614" ID, -16, Cl 6, 90 Duro

2шт.

11

84402019

PLATE

1шт.

12

84481756

HOSE,10mm ID x 468mm L, SAE 100R16

1шт.

Выбрано товаров: 12