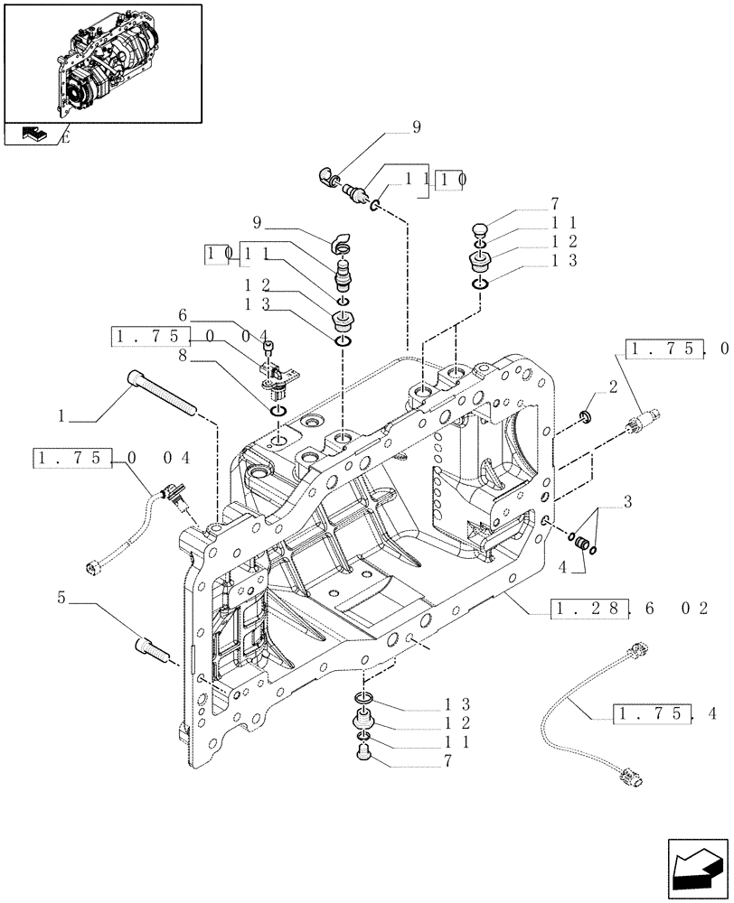
Запчасти Case IH PUMA 210 (1.28.6[01]) - TRANSMISSION - HYDROSTATIC PUMP - SENSORS AND CAPS (03) - TRANSMISSION

Схема запчастей Case IH PUMA 210 - (1.28.6[01]) - TRANSMISSION - HYDROSTATIC PUMP - SENSORS AND CAPS (03) - TRANSMISSION
home
1.75.4 06
1.28.6 02
12
8
5
11
7
2
11
13
11
12
10
3
1
1.75.0 04
13
1.75.0 04
4
7
6
10
9
12
9
11
13
1.75.0 04
FIT
1:1
100%

Артикул

Название

Примечание

Количество

1

14332724

HEX SOC SCREW,M12 x 1.25 x 120mm, Cl 8.8

M12 x 1.25 x 120

1шт.

2

14328501

PLUG,M16, Tapered

1шт.

3

14453080

O-RING,0.426" ID x 0.07"

4шт.

4

87561328

BUSHING,11mm ID x 13mm OD x 14mm L

2шт.

5

14331224

BOLT,M12 x 1.25 x 35mm, Cl 8.8, Full Thd

22шт.

6

14306120

HEX SOC SCREW,M8 x 1.25 x 12mm, Cl 8.8, Full Thd

1шт.

7

10118711

PLUG,M14 x 1.5 x 12, Cl5.8

4шт.

8

5135738

O-RING,0.103" Thk x 0.674" ID, -115, 80 Duro

2.62 x 17.12

1шт.

9

5185424

DUST CAP,11.5mm ID x 81.5 L, Black

4шт.

10

5185423

COUPLING

4шт.

Q.ty= 6 with 50KPH Transmission, VAR.042-142

1шт.

11

14437785

O-RING,11.3mm ID x 2.4mm

8шт.

12

87661594

REDUCER FITTING

6шт.

13

14438085

O-RING,19.3mm ID x 2.4mm

6шт.

Выбрано товаров: 14