Запчасти Case IH PUMA 210 (1.65.3[01A]) - TRANSMISSION BRAKES - D6332 (05) - REAR AXLE

Схема запчастей Case IH PUMA 210 - (1.65.3[01A]) - TRANSMISSION BRAKES - D6332 (05) - REAR AXLE
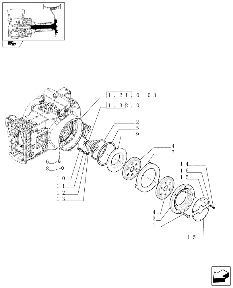
8
1.32.0
home
1.21.0 03
4
10
13
2
9
12
14
7
6
4
5
3
15
16
1
15
11
FIT
1:1
100%

Артикул

Название

Примечание

Количество

1

14274924

BOLT,Hex, M12 x 1.25 x 50mm, Cl 8.8

24шт.

2

5195253

SEAL,Square, 3.4mm Thk x 294.1mm ID, 80 Duro

M259.6 x 266.4 x 3.4

2шт.

3

87743516

BRAKE DISC

2шт.

4

84201664

BRAKE DISC,60mm ID x 327mm OD x 9.5mm Thk

4шт.

5

5165512

SEAL,Square, 3.4mm Thk x 329.8mm ID, 80 Duro

329.6 x 336.4 x 3.4

2шт.

6

5152383

DRAIN PLUG,M12 x 1.25 x 24mm

2шт.

7

87731858

BRAKE DISC

2шт.

8

5171793

BOOT

2шт.

9

5195093

PISTON

For RH Brake

2шт.

10

84172141

PIN,22mm OD x 64mm L

For LH Brake

6шт.

11

84172142

BUSHING,13.3mm ID x 20mm OD x 21.9mm L

6шт.

12

84177978

WASHER,8.2mm ID x 20mm OD x 2mm Thk

6шт.

13

14048221

NUT,M8 x 1.25, Cl 10

6шт.

14

16043124

SCREW,Hex, M8 x 1.25 x 14mm, Cl 8.8, Full Thd

20шт.

15

87740014

COVER

4шт.

16

11193874

BELLEVILLE WASHER,M8 Bolt Size x 16mm OD x 1.4mm Thk

20шт.

Выбрано товаров: 16