Запчасти Case IH PUMA 210 (1.95.5/02A) - AUTOGUIDANCE VALVE - BREAKDOWN - C6831 (10) - OPERATORS PLATFORM/CAB

Схема запчастей Case IH PUMA 210 - (1.95.5/02A) - AUTOGUIDANCE VALVE - BREAKDOWN - C6831 (10) - OPERATORS PLATFORM/CAB
6
home
12
12
2
5
5
12
9
6
5
4
5
3
5
6
6
7
6
8
5
2
13
10
11
12
12
1
FIT
1:1
100%

Артикул

Название

Примечание

Количество

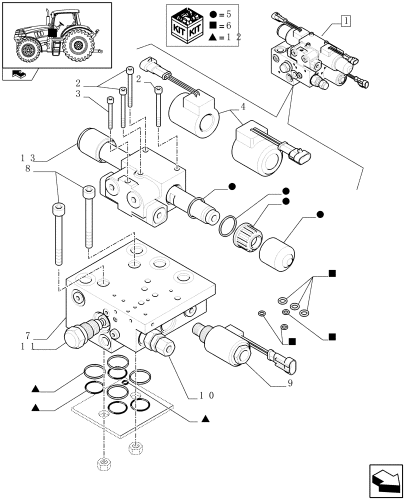
1

87696383

HYDRAULIC VALVE

ASSY

1шт.

2

14304871

HEX SOC SCREW,M6 x 55mm, Cl 12.9

3шт.

3

14304731

SCREW,M5 x 50mm, Cl 10.9

1шт.

4

84160383

COIL

ASSY

2шт.

5

84160386

SEAL

1шт.

6

84160427

SEAL

1шт.

7

87696385

HYDRAULIC MANIFOLD

1шт.

8

84160398

BOLT,Hex, #10 - 32 x 90mm, Cl 12.9

2шт.

9

84160403

SOLENOID VALVE

1шт.

10

84180623

VALVE PRESSURE RELIE

1шт.

11

84160409

SHUT-OFF VALVE

1шт.

12

84160425

SEAL

1шт.

13

87696384

PILOT VALVE

1шт.

Выбрано товаров: 13