Запчасти Case IH PUMA 230 (21.126.0101[02]) - TRANSMISSION 50KPH & 40KPH "ECONOMY" CVT - RANGE GEARSHIFT MECHANISM - II, R1 (VAR.743042-743142) (21) - TRANSMISSION

Схема запчастей Case IH PUMA 230 - (21.126.0101[02]) - TRANSMISSION 50KPH & 40KPH "ECONOMY" CVT - RANGE GEARSHIFT MECHANISM - II, R1 (VAR.743042-743142) (21) - TRANSMISSION
55.414.01
11
4
7
17
14
6
16
5
12
19
13
1
3
20
10
18
2
9
19
15
8
29.134.01 01
21.110.01 02
home
21.126.0101 01
FIT
1:1
100%

Артикул

Название

Примечание

Количество

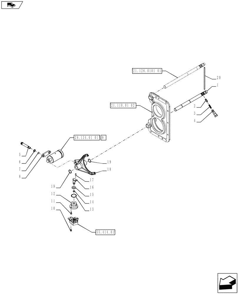
1

87528746

ROD

Lower

1шт.

2

5166394

PAWL,10mm OD x 25mm L

1шт.

3

5166393

SPRING,8mm OD x 43mm L

1шт.

4

87549975

PLUG,M18 x 1.5 x 62mm L

1шт.

5

87653486

HOLDER

Lower

2шт.

6

5115996

O-RING,2.62mm Thk x 15.08mm ID, 80 Duro

2.62 x 15.08

2шт.

7

14453182

O-RING,0.07" Thk x 0.489" ID, -14, Cl 9, 70 Duro

2шт.

8

87628829

SPACER,2x17mm OD x 8mm Thk x 95mm L

1шт.

9

87549885

OPERATING CYLINDER

1шт.

10

13272014

SCREW,Pozidriv Pan Hd, M4 x 12mm, Cl 5.8

2шт.

11

14305220

HEX SOC SCREW,M6 x 16mm, Cl 8.8, Full Thd

2шт.

12

87675305

HOLDER

1шт.

13

14458680

O-RING,0.103" Thk x 1.487" ID, -128, Cl 5, 75 Duro

1шт.

14

14452980

O-RING,9.25mm ID x 1.78" Width

1шт.

15

14497731

WASHER,4.3mm ID x 8mm OD x 0.8mm Thk

4.3 x 8 x 0.8

2шт.

16

87675304

SHAFT,9.4mm ID x 12mm OD x 47.5mm L

1шт.

17

10336010

PIN,6mm OD x 16mm L

6 x 16

1шт.

18

87528739

SHIFTER FORK

Range II - R1

1шт.

19

87691166

CIRCLIP

D=24

2шт.

20

87549873

PAWL,8.5mm OD x 273mm L

1шт.

Выбрано товаров: 20