Запчасти Case IH PUMA 230 (21.140.0101[03]) - TRANSMISSION 50KPH & 40KPH "ECONOMY" - REVERSER UNIT (VAR.743042-743142) (21) - TRANSMISSION

Схема запчастей Case IH PUMA 230 - (21.140.0101[03]) - TRANSMISSION 50KPH & 40KPH "ECONOMY" - REVERSER UNIT (VAR.743042-743142) (21) - TRANSMISSION
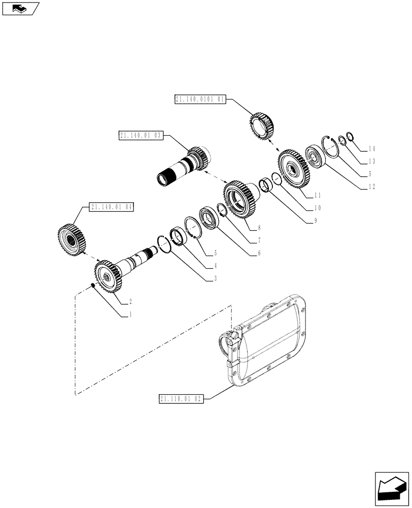
1
7
6
3
8
13
5
2
11
21.140.01 03
home
21.140.0101 01
21.140.01 04
21.110.01 02
5
4
14
10
9
12
FIT
1:1
100%

Артикул

Название

Примечание

Количество

1

87541312

PLUG

1шт.

2

87588055

SHAFT,40.6/128.7mm ID x 44.6/147.4mm OD x 304mm L, 21/33T

R2

1шт.

3

87567449

SNAP RING,M82.6, Ext

1шт.

4

87562575

NEEDLE BEARING,Needle, 63mm ID x 80mm OD x 25mm W

1шт.

5

11062976

SNAP RING,Int, M100 x 3

2шт.

6

87562562

BALL BEARING,55mm ID x 100mm OD x 21mm W

55 x 100 x 21

1шт.

7

11069576

SNAP RING,M55, Ext

D=55

1шт.

8

87528476

GEAR,40T

1шт.

9

5162256

NEEDLE BEARING,Needle, 50mm ID x 58mm OD x 25mm W

1шт.

10

5142178

SNAP RING,1.5mm Thk

1шт.

11

87589205

GEAR,42T

R2

1шт.

12

87562566

BALL BEARING,35mm ID x 100mm OD x 25mm W

1шт.

13

87548132

SPACER,35mm ID x 45mm OD x 3mm L

1шт.

14

11068376

SNAP RING,M35, Ext x 1.5 Thk

1шт.

15

87534205

NOZZLE,M10 x 1.25 x 62mm L

6шт.

Выбрано товаров: 15