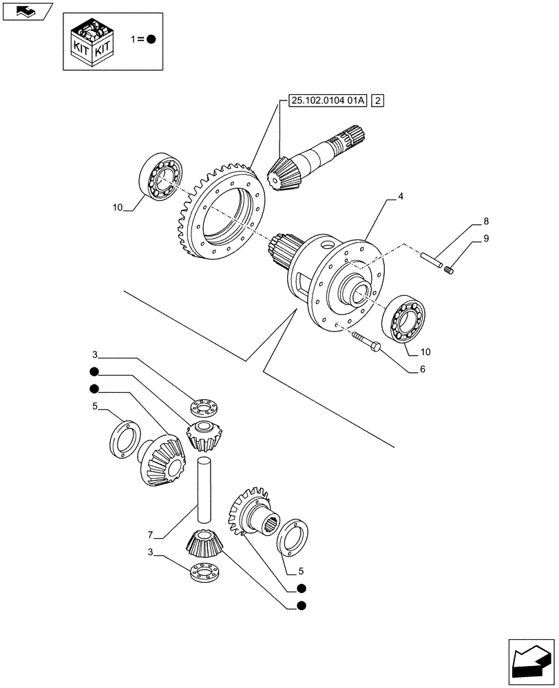
Запчасти Case IH PUMA 230 (25.102.0305[01A]) - FRONT AXLE - DIFFERENTIAL LOCKING - D7130 (25) - FRONT AXLE SYSTEM

Схема запчастей Case IH PUMA 230 - (25.102.0305[01A]) - FRONT AXLE - DIFFERENTIAL LOCKING - D7130 (25) - FRONT AXLE SYSTEM
1
8
home
3
10
25.102.0104 01
10
9
4
5
1
3
1
a
1
1
1
6
2
5
7
FIT
1:1
100%

Артикул

Название

Примечание

Количество

1

87381508

GEAR SET

1шт.

2

84365311

BEVEL GEAR

ASSY, Ratio 10/34

1шт.

3

4991658

THRUST WASHER,25mm ID x 54.5mm OD x 1.5mm Thk

2шт.

4

87342770

HOUSING

1шт.

5

4997236

THRUST WASHER,51mm ID x 70mm OD x 1.6mm Thk

2шт.

6

84170038

LOCK BOLT,Hex, M12 x 1.25 x 35mm, Cl 10.9

12шт.

7

4991652

PIN,23mm OD x 157mm L

D=25 x 157,5

1шт.

8

5173242

ROLL PIN,6.5mm OD x 61mm L

1шт.

9

13807870

SET SCREW,Hex Soc, M8 x 14mm, Flat Pt

1шт.

10

24903470

BEARING ASSY,70mm ID x 110mm OD x 25mm W

2шт.

Выбрано товаров: 10