Запчасти Case IH PUMA 230 (33.202.04[03]) - ABS SYSTEM - PNEUMATIC TRAILER BRAKE - PRESSURE CONTROL VALVE AND PRESSURE PROPORTIONING VALVE (VAR.743922) (33) - BRAKES & CONTROLS

Схема запчастей Case IH PUMA 230 - (33.202.04[03]) - ABS SYSTEM - PNEUMATIC TRAILER BRAKE - PRESSURE CONTROL VALVE AND PRESSURE PROPORTIONING VALVE (VAR.743922) (33) - BRAKES & CONTROLS
15
17
9
13
2
21
12
20
home
1
3
10
9
6
7
4
18
22
7
14
8
33.202.04 02
5
19
8
16
33.202.04 02
9
11
23
FIT
1:1
100%

Артикул

Название

Примечание

Количество

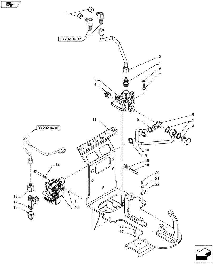
1

262159

CAP,3/4" - 16 Fem JIC

2шт.

2

84591829

TUBE

1шт.

3

84394207

VALVE, PRESSURE CONT

1шт.

4

945328

PLUG,Hex, M22 x 1.5

1шт.

5

84529661

HYD CONNECTOR,M22 x 1.5 x 42mm L

1шт.

6

86625220

HEX SOC SCREW,M8 x 25mm, Cl 8.8

2шт.

7

14499401

WASHER,8.4mm ID x 14mm OD x 1.6mm Thk

4шт.

8

84474995

BANJO BOLT,M22 x 1.5

2шт.

9

5165897

SEALING WASHER,22.7mm ID x 30mm OD x 2mm Thk

4шт.

10

84585529

TUBE

1шт.

11

84592751

BRACKET

1шт.

12

14359421

HEX SOC SCREW,M8 x 75mm, Cl 8.8

2шт.

13

84427815

FITTING

1шт.

14

84557169

TEE

1шт.

15

87029966

REDUCER,7/8" - 14 JIC x 3/4" - 16 JIC

1шт.

16

84395462

CONTROL VALVE

1шт.

17

86625263

WASHER,9mm ID x 20mm OD x 1.6mm Thk

1шт.

18

13530021

STUD,M12 x 1.25 x 25mm L, Cl 8.8

M12 x 1.25 x 25

2шт.

19

14059511

NUT

M12

2шт.

20

86508568

BOLT,Hex, M6 x 1 x 16mm, Cl 8.8

1шт.

21

10519421

WASHER,6.4mm ID x 11.95mm OD x 1.6mm Thk

1шт.

22

10113104

CLAMP,8mm, 7mm Bolt Hole, J Type

1шт.

23

86625001

BOLT,Hex, M8 x 22mm, Cl 8.8, Full Thd

2шт.

Выбрано товаров: 23