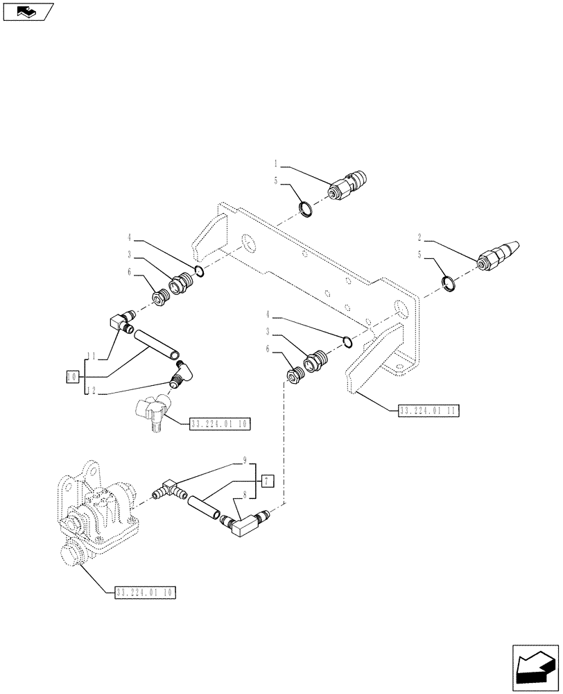
Запчасти Case IH PUMA 230 (33.224.01[12]) - PNEUMATIC TRAILER BRAKE (UK) - QUICK HITCH AND PIPES (VAR.743169-720178 / 743625) (33) - BRAKES & CONTROLS

Схема запчастей Case IH PUMA 230 - (33.224.01[12]) - PNEUMATIC TRAILER BRAKE (UK) - QUICK HITCH AND PIPES (VAR.743169-720178 / 743625) (33) - BRAKES & CONTROLS
8
2
1
33.224.01 11
home
33.224.01 10
33.224.01 10
10
7
3
9
11
4
3
4
5
6
12
6
5
FIT
1:1
100%

Артикул

Название

Примечание

Количество

1

87679175

PUSH-PULL COUPLING

1шт.

2

87679176

PUSH-PULL COUPLING

1шт.

3

87679177

ADAPTER

2шт.

4

87679174

O-RING,2.4mm Thk x 20.3mm ID, 70 Duro

D=22

2шт.

5

87679173

BACK-UP RING,22.10mm, 25.80mm ID x 27.00mm OD x 2.50mm

M22

2шт.

6

82034157

ADAPTER

2шт.

7

84157670

FLEXIBLE HOSE,12mm ID x 164mm, MAT 3012

Contains Ref. 8,9

1шт.

8

84157694

90 ELBOW

1шт.

9

87588080

90 ELBOW,NG8 x 12mm D

1шт.

10

84181248

FLEXIBLE HOSE

Contains Ref. 11,12

1шт.

11

82038479

90 ELBOW,NG12 x 12mm D

1шт.

12

87642190

HYD CONNECTOR

1шт.

Выбрано товаров: 12